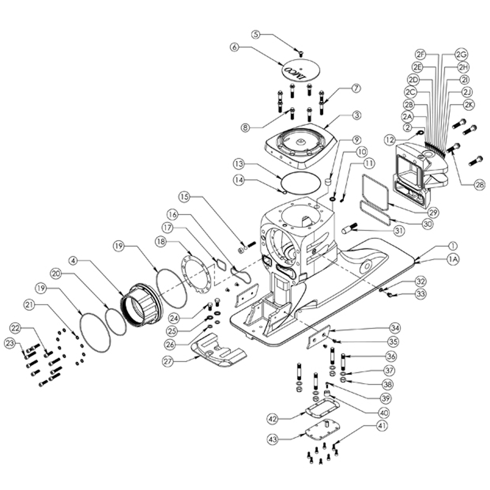
Click for Larger Image
|
| ITEM |
DESCRIPTION |
QTY |
PART NUMBER |
|
SCX, SCX4, SCXT Upper Seal Kit (Includes the items: 9, 10, 12, 13, 14, 15, 16, 17, 19, 20, 29, 30, 32, 42) |
Kit |
421-11-8008 |
| 1 |
SCX Upper Case Black |
1 |
421-01-1550 |
| 1A |
SCX Upper Case Silver |
1 |
421-01-1557 |
| 2 |
SCX Steering Cap CA Black |
1 |
421-01-1551 |
| 2A |
Steering Cap NV Black |
1 |
421-01-1552 |
| 2B |
Steering Cap Generic Black |
1 |
421-01-1553 |
| 2C |
Steering Cap ITS Black |
1 |
421-01-1554 |
| 2D |
Steering Cap Tie Bar Starboard Black |
1 |
421-01-1555 |
| 2E |
Steering Cap Tie Bar Port Black |
1 |
421-01-1556 |
| 2F |
Steering Cap CA Silver |
1 |
421-01-1558 |
| 2G |
Steering Cap NV Silver |
1 |
421-01-1559 |
| 2H |
Steering Cap Generic Silver |
1 |
421-01-1560 |
| 2I |
Steering Cap ITS Silver |
1 |
421-01-1561 |
| 2J |
Steering Cap Tie Bar Starboard Silver |
1 |
421-01-1562 |
| 2K |
Steering Cap Tie Bar Port Silver |
1 |
421-01-1563 |
| 3 |
Upper Cap |
1 |
421-01-2555 |
| 4 |
Pinion Hub |
1 |
421-01-2560 |
| 5 |
Screw (5/16-18 x 1/2" Button Head) |
1 |
421-08-040705041 |
| 6 |
Top Cap Lid |
1 |
421-01-2071 |
| 7 |
Screw (3/8-16 x 1 3/4" S/S 12 Point) |
4 |
421-08-070806111 |
| 8 |
Screw (3/8-16 x 1 1/2" S/S 12 Point |
4 |
421-08-070806101 |
| 9 |
Shift Shaft Plug |
1 |
421-11-1024 |
| 10 |
Quad Ring (Cooling Water, Bottom) |
1 |
421-11-4024 |
| 11 |
Screw (5/16-18 x 1/2" Allen Set) (For Tower) |
1 |
421-08-050705041 |
| 12 |
Quad Ring (Cooling Water, Top) |
1 |
421-11-4025 |
| 13 |
"O" Ring (Top Cap) |
1 |
421-11-2049 |
| 14 |
"O" Ring (Top Cap Oil Passage) |
1 |
421-11-2013 |
| 15 |
Spring Kit |
Kit |
421-01-2045 |
| 16 |
"O" Ring (Water Passage-Upper to Gimbal) |
1 |
421-11-2148 |
| 17 |
"O" Ring (Shift Linkage) |
1 |
421-11-2129 |
| 18 |
Pinion Hub Shims |
Kit |
421-01-2548 |
| 19 |
"O" Ring (Pinion Hub) |
2 |
421-11-2161 |
| 20 |
"O" Ring (Pinion Retainer Nut) |
1 |
421-11-2154 |
| 21 |
Pinion Hub (5/16" Copper Sealing Washers) |
10 |
421-08-120700004 |
| 22 |
Screw (5/16-18 x 1" Socket Cap) |
4 |
421-08-060705082 |
| 23 |
Screw (5/16-18 x 1 1/2" Socket Cap) |
6 |
421-08-060705102 |
| 24 |
Screw (3/8-16 x 3/4" Hex Head S/S) |
2 |
421-08-010806061 |
| 25 |
Washer (3/8" Star) |
2 |
421-08-110800001 |
| 26 |
Washer (3/8" AN) |
2 |
421-08-100800001 |
| 27 |
Anode |
1 |
421-01-2067 |
| 28 |
Screw (7/16-14 x 1 3/4" S/S 12 Point) |
4 |
421-08-070907111 |
| 29 |
"O" Ring (Steering Cap, Oil) |
1 |
421-11-2250 |
| 30 |
"O" Ring (Steering Cap, Shift Cavity) |
1 |
421-11-2242 |
| 31 |
Detent Kit |
Kit |
421-01-2044 |
| 32 |
Drain Screw Sealing Washer |
1 |
421-11-1017 |
| 33 |
Drain Screw |
1 |
421-01-2504 |
| 34 |
Guide Pads (Port & Starboard) |
2 |
421-01-2471 |
| 35 |
Screw (1/4-20 x 1/2" Flat Head Undercut) |
4 |
421-08-020604041 |
| 36 |
Stud (7/16 x 2 1/2") |
4 |
421-08-130904141 |
| 37 |
Washer (7/16" AN S/S) |
4 |
421-08-100900001 |
| 38 |
Nut (7/16-20 Nylock S/S) |
4 |
421-08-080904001 |
| 39 |
Screw (10-24 x 5/8” Socket Cap) |
1 |
421-08-060403052 |
| 40 |
Magnet |
1 |
421-01-9587 |
| 41 |
Screw (1/4 x 5/8" Socket Cap) |
8 |
421-08-060604051 |
| 42 |
Oil Tank Gasket |
1 |
421-11-1030 |
| 43 |
Oil Tank Cover |
1 |
421-01-2574 |