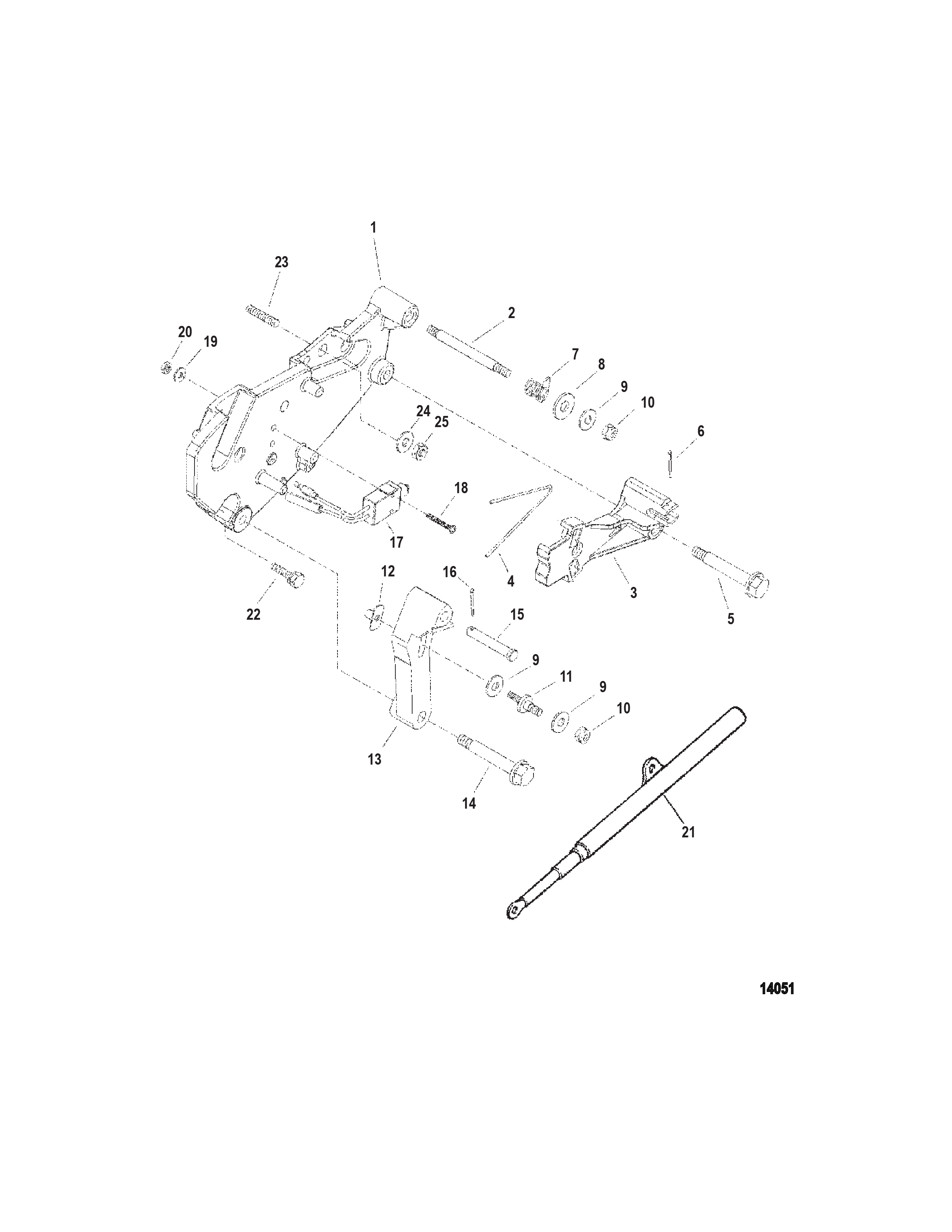
4.3L (GEN +) (2 BBL.) GM 262 V-6 - 0L010044 THRU 0M614999 - Shift Bracket (Alpha Engines)
Other Sub-Sections:
- Alternator (Mando)
- Alternator And Brackets (Delco)
- Alternator And Brackets (Mando)
- Carburetor (Mercarb - Two Barrel)
- Carburetor (Weber)
- Carburetor And Throttle Linkage (2 Barrel)
- Carburetor And Throttle Linkage (Four Barrel)
- Closed Cooling System
- Crankshaft And Pistons
- Cylinder Block And Camshaft
- Cylinder Head And Rocker Cover
- Decals
- Distributor And Ignition Components
- Electrical Components
- Engine Mounting
- Exhast Manifold And Exhaust Elbow (Two Piece)
- Exhaust Manifold (One Piece)
- Exhaust System (Use With One Piece Manifold)
- Exhaust System (Use With Two Piece Manifold)
- Flywheel Housing
- Fuel Pump And Fuel Filter
- Intake Manifold And Front Cover
- Mercathode Components
- Miscellaneous Information
- Oil Pan And Oil Pump
- Oil Reservoir Bottle And Bracket
- Power Steering Components
- Remote Oil Filter
- Sea Water Pump Assembly (Use With Bravo Engines)
- Serpentine Belts (S-N 0L010044 thru 0L618999)
- Serpentine Belts S-N 0L619000 And Above
- Shift Bracket (Alpha Engines)
- Shift Bracket (Bravo Engines)
- Standard Cooling System
- Starter Motor
- Swiss Emissions Parts (BSO1 and SAV1)
- Wiring Harness And Electrical Components
| Ref # | Part Class | Part Number | Description | Comments | Qty | Note |
|---|---|---|---|---|---|---|
| 1 | 0000 | 807962A3 | BRACKET ASSEMBLY Shift | 1 | ||
| 2 | 0016 | 8140021 | STUD (.250 x 2.870) | 1 | ||
| 3 | 0000 | 13051A8 | LEVER ASSEMBLY Actuating | 1 | ||
| 4 | 0024 | 455991 | SPRING | 1 | ||
| 5 | 0010 | 13743 | SCREW (.312-18 x 1.843) Shoulder | 1 | ||
| 6 | 0018 | 32857 | COTTER PIN | 1 | ||
| 7 | 0024 | OEM: 525-24-98880 | SPRING | 1 | ||
| 8 | 0012 | OEM: 525-12-56720 | WASHER (.330 x .750 x .060) Stainless Steel | 1 | ||
| 9 | 0012 | OEM: 525-12-35462 | WASHER (.2656 x .625 x .0625) Stainless Steel | 4 | ||
| 10 | 0011 | 13438 | NUT (.250-28) | 2 | ||
| 11 | 0016 | 96112 | STUD (.250-28 x 2.00) Throttle Cable Anchor | 1 | ||
| 12 | 0011 | OEM: 525-11-63341 | TEE NUT | 1 | ||
| 13 | 0000 | 13898A3 | LEVER ASSEMBLY Shift | 1 | ||
| 14 | 0010 | 13743 | SCREW (.312-18 x 1.843) Shoulder | 1 | ||
| 15 | 0017 | OEM: 525-17-814001 | PIN Clevis | 1 | ||
| 16 | 0018 | 21071 | COTTER PIN | 1 | ||
| 17 | 0087 | 808009A1 | SWITCH ASSEMBLY | 1 | ||
| 18 | 0010 | OEM: 525-10-860077 | SCREW (#6-32 x 1.00) | 2 | ||
| 19 | 0012 | OEM: 525-12-11303 | WASHER | 2 | ||
| 20 | 0011 | OEM: 525-11-F1669 | NUT (#6-32) | 2 | ||
| 21 | 0000 | OEM: 525-813995A1 | GUIDE ASSEMBLY Spring | 1 | ||
| 22 | 0010 | OEM: 525-10-657461 | SCREW AND LOCKWASHER (.250- 20 x .625) | (2 PC. EXHAUST MANIFOLD) | 3 | |
| 23 | 0016 | 66357 | STUD (.250-28 x 1.00) | (1 PC. EXHAUST MANIFOLD) | 2 | |
| 24 | 0012 | OEM: 525-12-69057 | WASHER (.281 x .734 x .063) | (1 PC. EXHAUST MANIFOLD) | 2 | |
| 25 | 0011 | 35045 | NUT (.250-28) | (1 PC. EXHAUST MANIFOLD) | 2 |


