| Ref. |
OEM Part # |
Hardin # |
Mallory # |
GLM # |
Description |
Num Req. |
Superseded From |
Special Notes |
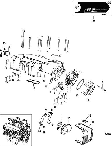
| 1 |
8M0045241 |
|
|
|
THROTTLE BODY ASSEMBLY |
1 |
|
|
| 2 |
862999002 |
|
|
|
PLUG |
1 |
|
|
| 3 |
25-808547 |
|
|
|
O-RING |
1 |
|
|
| 4 |
25-863006 |
|
|
|
O-RING |
1 |
|
|
| 5 |
8M0097035 |
|
|
|
SENSOR, TPS |
1 |
853678T |
|
| 6 |
12-11303 |
|
|
|
WASHER |
4 |
|
|
| 7 |
10-4008612 |
|
|
|
SCREW, (M4 x 12) |
4 |
|
|
| 8 |
10-88552585 |
|
|
|
SCREW, (M6 x 85 MM) Stainless Steel |
3 |
|
|
| 9 |
8M0045765 |
|
|
|
ADAPTOR, Flame Arrestor |
1 |
|
High Output |
| 9 |
8M0045766 |
|
|
|
ADAPTOR, Flame Arrestor |
1 |
|
Base |
| 10 |
25-841807 |
|
|
|
O-RING, (3.500 x .103) |
1 |
|
2 |
| 11 |
54-863393 |
|
|
|
CLAMP |
1 |
|
|
| 12 |
8M0045797 |
|
|
|
VALVE ASSEMBLY, Idle Air |
1 |
|
|
| 13 |
10-88552520 |
|
|
|
SCREW, (M6 x 20 MM) Stainless Steel |
2 |
|
|
| 14 |
10-805391 |
|
|
|
SCREW, (.312-18 x 4.500) |
12 |
|
|
| 15 |
35-865266 |
|
|
|
FILTER |
1 |
|
|
| 16 |
8M0045238 |
|
|
|
FLAME ARRESTOR |
1 |
|
|
| 17 |
8M0045239 |
|
|
|
PLENUM ASSEMBLY |
1 |
|
|
| 18 |
8M0044310 |
|
|
|
SEAL |
4 |
|
2 |
| 19 |
22-805598 |
|
|
|
FITTING, (.1875) Barb |
1 |
|
|
| 20 |
22-687271 |
|
676-9-38024 |
|
FITTING, (.250-18) 90 Degree - Brass |
1 |
|
|
| 21 |
10-8M0022331 |
|
|
|
SCREW, Ratchet |
1 |
|
|
| 22 |
805223T |
|
676-9-42406 |
|
SENSOR |
1 |
|
|
| 23 |
8M0061478 |
|
|
|
BRACKET, MAP Sensor Mount |
1 |
840981 |
|
| 24 |
12-30164 |
|
|
|
WASHER, (.192 x .375 x .0312) Stainless Steel |
1 |
|
|
| 25 |
10-847401 |
|
|
|
SCREW, (#10-24 x .380) |
1 |
|
|
| 26 |
854445 |
|
676-9-33603 |
|
SENSOR, MAP |
1 |
|
|
| 27 |
8M0045436 |
|
|
|
DECAL SET, 8.2L Base, Plenum |
1 |
|
|
| 27 |
8M0045437 |
|
|
|
DECAL SET, 8.2L High Output, Plenum |
1 |
|
|
| 27 |
8M0045438 |
|
|
|
DECAL SET, 8.2L Base (SeaCore), Plenum |
1 |
|
|
| 27 |
37-8M0045439 |
|
|
|
DECAL SET, 8.2L High Output (SeaCore), Plenum |
1 |
|
|