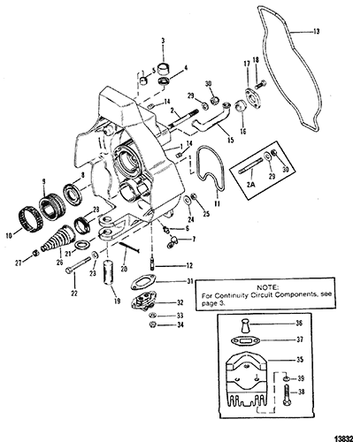
| Ref. |
OEM Part # |
Hardin # |
Mallory # |
GLM # |
Other # |
Description |
Num Req. |
Superceded From |
Special Notes |
| 1 |
8M0062568 |
|
|
|
|
GIMBAL HOUSING ASSEMBLY |
1 |
43881A11 |
|
| 2 |
16-56296 |
|
|
|
|
STUD, (.437-20 x 4.750) |
6 Or 4 |
|
|
| 2A |
16-818834 |
|
|
|
|
STUD, (.437-20 x 4.250), New Design |
2 |
|
|
| 3 |
23-983571 |
|
|
|
|
BUSHING, Lower |
1 |
|
|
| 4 |
26-8M2005029 |
|
|
|
|
SEAL, Oil |
1 |
26-416071 |
|
| 5 |
23-98356 |
|
|
|
|
BUSHING, Upper |
1 |
|
|
| 6 |
22-74036 |
|
|
|
|
FITTING, Grease |
1 |
|
(Use with greased bearing) |
| 6 |
8M2015913 |
|
|
|
|
PLUG, (.250-28 x .320) |
1 |
|
(Use with non-greased bearing) |
| 7 |
19-77633Q |
|
|
|
|
LUBRICAP |
1 |
19-77633 |
|
| 8 |
26-88416 |
|
676-9-76230 |
700-85910 |
|
SEAL, Oil |
1 |
|
|
| 9 |
879194A02 |
|
|
|
|
BEARING ASSEMBLY |
1 |
30-60794A4 |
|
| 10 |
61075 |
|
|
700-21851 |
|
TOLERANCE RING |
1 |
|
|
| 11 |
41802 |
|
|
|
|
SEAL, Rubber, Exhaust Pipe |
1 |
|
|
| 12 |
16-56766 |
|
|
|
|
STUD, (.250-20/.250-28 x 1.380) |
2 |
|
|
| 13 |
43713 |
|
676-9-72420 |
700-86711 |
|
SEAL |
1 |
|
|
| 14 |
22-73379 |
|
|
700-22379 |
|
PLUG, (.250-18) |
1 |
|
|
| 15 |
32-416721 |
|
|
|
|
TUBE, Water |
1 |
|
|
| 16 |
23-8165991 |
|
|
|
|
BUSHING |
1 |
23-816599 |
|
| 17 |
8M0046322 |
|
|
|
|
COVER |
1 |
41673 |
|
| 18 |
10-28636 |
|
|
|
|
SCREW, (.250-20 x .750) |
2 |
|
|
| 19 |
17-8M0073409 |
|
|
|
|
SWIVEL PIN, Lower |
1 |
17-99353 |
|
| 20 |
18-54929 |
|
|
|
|
COTTER PIN |
1 |
|
|
| 21 |
12-32518 |
|
|
|
|
WASHER |
1 |
|
|
| 22 |
10-43691 |
|
|
|
|
BOLT, (.500-13 x 4.00) |
2 |
|
(Old Design) |
| 23 |
12-32620 |
|
|
|
|
WASHER |
2 |
|
(Old Design) |
| 24 |
12-21900 |
|
|
|
|
WASHER |
2 |
|
(Old Design) |
| 25 |
11-34087 |
|
|
|
|
NUT |
2 |
|
(Old Design) |
| 26 |
74639A2 |
|
|
|
|
BELLOWS ASSEMBLY |
1 |
|
|
| 27 |
54-866507 |
|
676-9-73115 |
700-21790 |
|
CLAMP |
1 |
54-38863 |
|
| 28 |
54-815504320 |
|
|
|
|
CLAMP, Worm Gear |
1 |
|
|
| 29 |
12-34567 |
|
|
|
|
WASHER |
6 Or 8 |
|
|
| 30 |
11-34933 |
|
676-9-72004 |
|
|
NUT, (.437-20) Stainless Steel |
6 Or 8 |
|
|
| 31 |
27-988231 |
|
|
|
|
GASKET |
1 |
|
|
| 32 |
8M0080805 |
|
|
|
|
MANIFOLD ASSEMBLY |
1 |
98825A4 |
|
| 33 |
13-78968 |
|
|
|
|
LOCKWASHER, Internal (.250) |
2 |
|
|
| 34 |
11-8267119 |
|
|
|
|
NUT, (.250-28) |
2 |
11-13438 |
|
| 35 |
821631Q1 |
|
|
|
|
ANODE ASSEMBLY |
1 |
821631A1 |
|
| 36 |
12077 |
|
|
|
|
SEAL |
1 |
|
|
| 37 |
27-995061 |
|
|
|
|
GASKET |
1 |
|
|
| 38 |
10-86885 |
|
|
|
|
SCREW, (.250-20 x 1.500) Stainless Steel |
2 |
|
|
| 39 |
13-78968 |
|
|
|
|
LOCKWASHER, Internal (.250) |
2 |
|
|
| - |
22-88847A1 |
|
|
|
|
PLUG KIT, Access Hole |
1 |
|
(Contains All Necessary Parts To Allow Removal Of Swivel Shaft With Out Removing Gimbal Housing) |