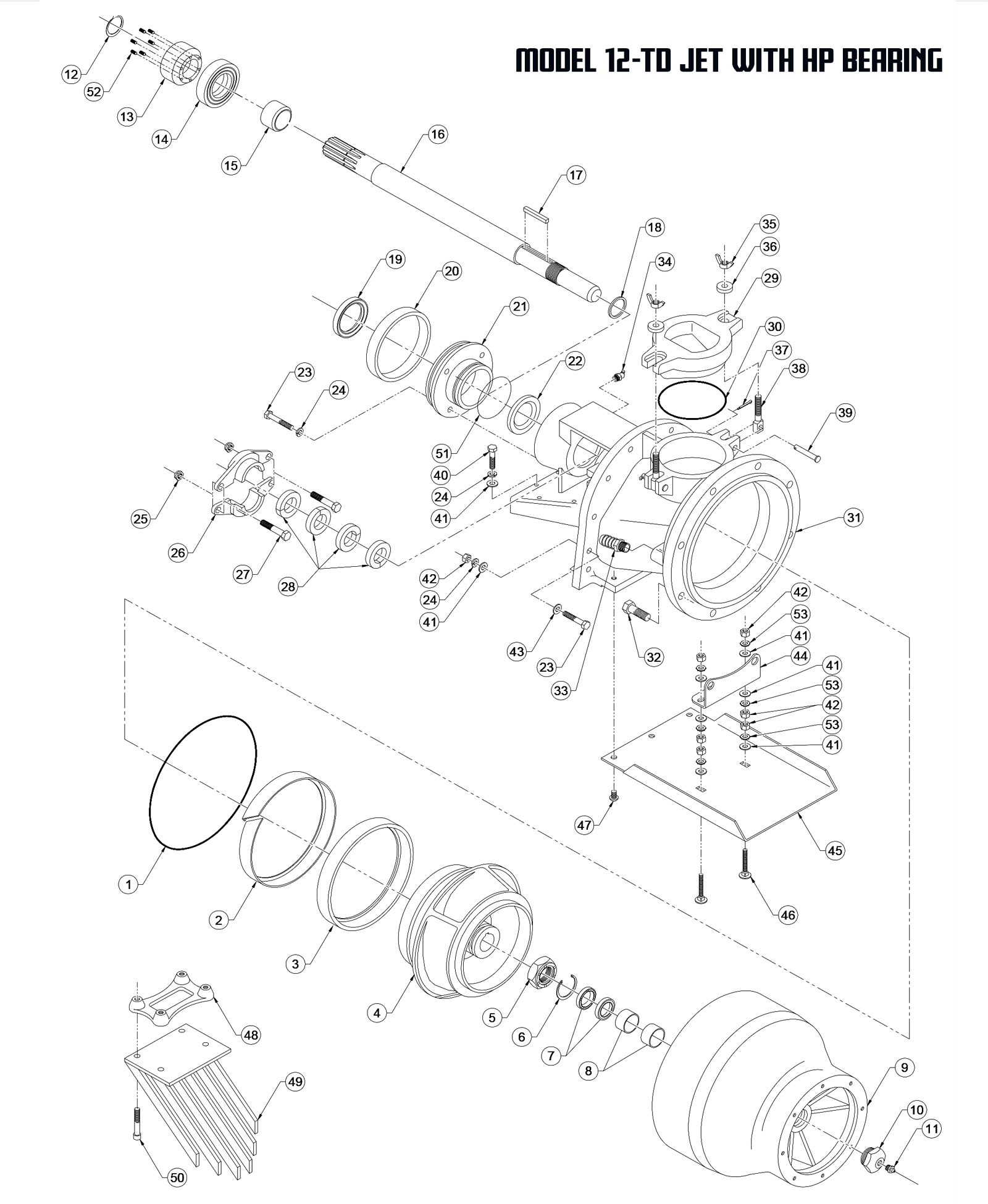
Jet Drives - Model 12-TD HP Bearing
American Turbine Model 12-TD Jet (w/ HP Bearing) Replacement Parts
Model 12-TD (w/ HP Bearing)
USED W / SERIAL #25649 - PRESENT
Just looking for a rebuild kit? Click Here
|
SYM.
|
DESCRIPTION |
QTY.
|
PART NO. |
|---|---|---|---|
|
1
|
BOWL O-RING |
1
|
152-O3101 |
|
2
|
WEAR RING LINER |
1
|
152-WR6004 |
|
3
|
WEAR RING |
1
|
152-WR5000 |
|
4
|
IMPELLER |
1
|
152-IMA*** |
|
5
|
IMPELLER NUT |
1
|
152-SH3507 |
|
6
|
BOWL SNAP RING |
1
|
152-SC9201 |
|
7
|
BOWL SEAL |
2
|
152-SL2003 |
|
8
|
BOWL BEARING |
2
|
152-B1502 |
|
9
|
BOWL |
1
|
152-SCA9301 |
|
10
|
BOWL PLUG |
1
|
152-SCA9001 |
|
11
|
ZERT |
1
|
152-SC8901 |
|
12
|
SNAP RING |
1
|
152-SH1507 |
|
13
|
BEARING PRE-LOAD SEAL RING |
1
|
152-SH5005 |
|
14
|
THRUST BEARING |
1
|
152-B1107 |
|
15
|
SLINGER RING |
1
|
152-SH2507 |
|
16
|
PUMP SHAFT |
1
|
152-SH1007 |
|
17
|
IMPELLER KEY |
1
|
152-SH3007 |
|
18
|
SHIM KIT |
1
|
152-SHK4007 |
|
19
|
BEARING CAP SEAL |
1
|
152-SL1001 |
|
20
|
ENGINE MOUNT RING |
1
|
152-SC4007 |
|
21
|
BEARING CAP |
1
|
152-SC2107 |
|
22
|
SUCTION SEAL |
1
|
152-SL1507 |
|
23
|
HHCS, 5/16-18 X 2 |
14
|
152-F05 18 16 HH |
|
24
|
LOCKWASHER, 5/16 |
20
|
152-F05 LW |
|
25
|
LOCK NUT, 3/8-24 (THIN) |
2
|
152-F06 24 TL |
|
26
|
PACKING FOLLOWER (PAIR) |
1
|
152-SC2507 |
|
27
|
HHCS, 3/8-24 X 2 |
2
|
152-F06 24 16 HH |
|
28
|
PACKING RINGS |
4
|
152-SC3007 |
|
29
|
HAND HOLE COVER |
1
|
152-SC1701 |
|
30
|
O-RING |
1
|
152-O1002 |
|
31
|
SUCTION PIECE |
1
|
152-SC1403 |
|
32
|
HHCS, 1/2-13 X 1-1/2 |
8
|
152-F08 13 12 HH |
|
33
|
BARBED CONNECTOR, 3/8 |
1
|
152-SC4507 |
|
34
|
GREASE ZERT |
1
|
152-SC8801 |
|
35
|
WINGNUT, 3/8-16 |
2
|
152-F06 16 WN |
|
36
|
THICK WASHER, 3/8 |
2
|
152-F06 TW |
|
37
|
COTTER PIN, 1/8 X 1/2 |
2
|
152-F02 04 CP |
|
38
|
EYE BOLT, 3/8-16 |
2
|
152-F06 16 EB |
|
39
|
CLEVIS PIN, 5/16 |
2
|
152-F05 CL |
|
40
|
HHCS, 5/16-18 X 1-1/4 |
6
|
152-F05 18 10 HH |
|
41
|
FLAT WASHER, 5/16 |
22
|
152-F05 FW |
|
42
|
HEX NUT, 5/16-18 |
16
|
152-F05 18 HN |
|
43
|
AN WASHER, 5/16 |
10
|
152-F05 AN |
|
44
|
RIDEPLATE BRACKET |
1
|
152-I7301 |
|
45
|
RIDEPLATE |
1
|
152-I6901 |
|
46
|
FHMS, 5/16-18 X 2 |
2
|
152-F05 18 16 FH |
|
47
|
FHMS, 5/16-18 X 3/4 |
3
|
152-F05 18 06 FH |
|
48
|
GRATE BACK-UP |
1
|
152-I4307 |
|
49
|
GRATE |
1
|
152-I4207 |
|
50
|
SHCS, 5/16-18 X 1-1/4 |
4
|
152-F05 18 10 SH |
|
51
|
O-RING |
1
|
152-O3601 |
|
52
|
SET SCREW, 10-32 X 3/8 |
6
|
152-F03 32 03 SS |
|
53
|
STAR LOCK WASHER, 5/16 |
6
|
152-F05 SW |
