200 PRO VERADO 4-STROKE 6 CYL - Serial 2B034840 Thru 2B144122 - Adaptor Plate-Lower
Other Sub-Sections:
- Accessories
- Adaptor Plate Hose Routings
- Adaptor Plate-Lower
- Alternator/Belt Tensioner Mounting
- Charge Cooler/Intake Manifold Hose Routings
- Charge Cooler/Intake Manifold(Gen I) End Cap Not Serviced
- Charge Cooler/Intake Manifold(Gen II) End Cap Serviced
- Cowl Latching
- Crankshaft, Pistons and Connecting Rods
- Cylinder Block
- Cylinder Head and Camshaft
- Driveshaft Housing
- Electrical Box Components
- Fuel Supply Module
- Gear Housing(Driveshaft)
- Gear Housing, Propeller Shaft 2B026816 and below
- Gear Housing, Propeller Shaft 2B026817 and up
- Ground Cable Kit(899712A01)
- Induction Components
- Mercathode Kit
- Mount Cradle
- Oil Pump/Adaptor Plate-Upper
- Port Cylinder Block Components
- Power Trim Components
- Power Trim/Steering Cylinder
- Powerhead Gasket Set Components
- Pump Kit-Power Steering(4 thru 24 Feet)
- Rear Cowl
- Starboard Cylinder Block/Oil Cooler(1B830815 and Below)
- Starboard Cylinder Block/Oil Cooler(1B830816 and Above)
- Starter Motor
- Steering Helm Kit-Standard(892557A02, 892380A02, 892558A02)
- SuperCharger
- Tools
- Top Cowl
- Upper Shift Components
- Water Separator Filter Kit, 886638A01
Ref. | OEM Part # | Hardin # | Mallory # | GLM # | Other # | Description | Num Req. | Superceded From | Special Notes |
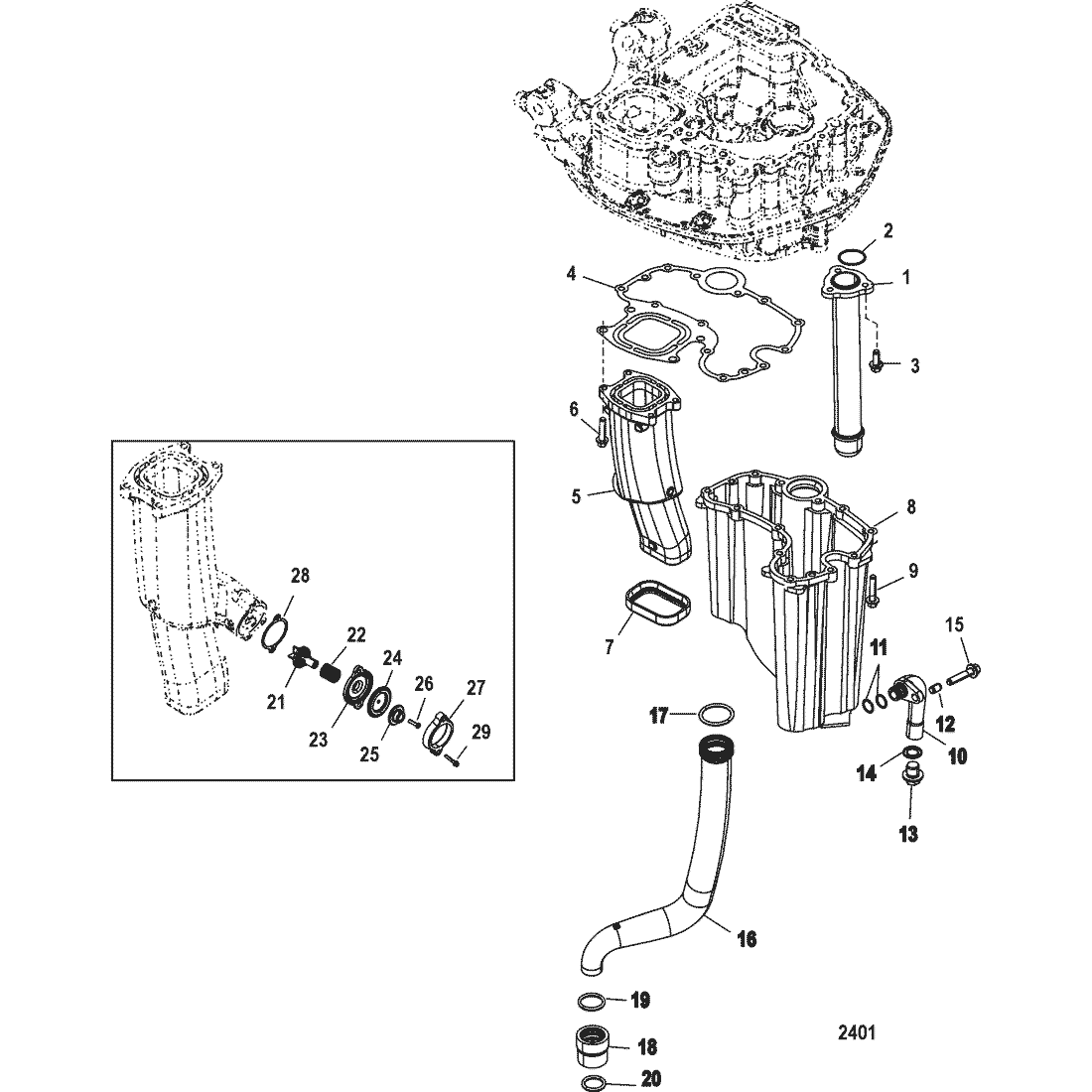
1 | 887623T03 | PICKUP ASSEMBLY, Oil | 1 | ||||||
2 | 25-8M0092943 | O-RING, (1.239 x .070) | 1 | 846594 | |||||
3 | 10-88552525 | SCREW, (M6 x 25 MM) Stainless Steel | 3 | ||||||
4 | 27-889618001 | GASKET, Oil Sump | 1 | ||||||
5 | 880626T01 | TUBE ASSEMBLY, Exhaust | 1 | ||||||
6 | 10-88552635 | SCREW, (M8 x 35 MM) | 4 | ||||||
7 | 26-880629 | SEAL, Exhaust Tube | 1 | ||||||
8 | 880639T | SUMP ASSEMBLY, Oil | 1 | ||||||
9 | 10-88552530 | SCREW, (M6 x 30 MM) Stainless Steel | 12 | ||||||
10 | 887753A02 | TUBE ASSEMBLY, Oil Drain | 1 | ||||||
10 | 8M0082193 | TUBE ASSEMBLY, Oil Drain | 1 | 888513A02 | |||||
11 | 25-892446 | O-RING, (14 X 1.78 MM) | 2 | ||||||
12 | 17-892228 | PIN, Dowel | 1 | ||||||
13 | 888592005 | PLUG ASSEMBLY, Oil Drain | 1 | ||||||
14 | 26-888593 | SEAL, Drain Plug | 1 | ||||||
15 | 10-88552530 | SCREW, (M6 x 30 MM) Stainless Steel | 1 | ||||||
16 | 32-885541A01 | TUBE ASSEMBLY, Water (20.00 Inch) | 1 | ||||||
16 | 32-885541A02 | TUBE ASSEMBLY, Water (25.00 Inch) | 1 | ||||||
17 | 25-892445 | O-RING | 1 | ||||||
18 | 22-887987A1 | COUPLING | 1 | ||||||
19 | 25-90196 | O-RING, (.921 x .139) | 1 | ||||||
20 | 25-21836 | O-RING, (.796 x .139) | 1 | ||||||
21 | 888913A01 | POPPET ASSEMBLY | 1 | ||||||
22 | 24-64878 | SPRING, (Black) | 1 | ||||||
23 | 893385001 | RETAINER | 1 | ||||||
24 | 648771 | DIAPHRAGM | 1 | ||||||
25 | 889706 | WASHER | 1 | ||||||
26 | 10-69570 | SCREW, (#10-16 x .750) | 1 | ||||||
27 | 893384001 | COVER, Poppet | 1 | ||||||
28 | 27-889561 | GASKET, Poppet | 1 | ||||||
29 | 10-88552535 | SCREW, (M6 x 35 MM) Stainless Steel | 2 | ||||||
- | 27-880552A07 | GASKET SET, Powerhead | 1 | ||||||
- | 61-895247A07 | POWERHEAD ASSEMBLY | 1 |