1100 QC4V - Serial 0M965965 and Up - Exhaust Manifold
Other Sub-Sections:
- Accessories
- Air Intake Cover
- Cooling Components
- Cover Assembly and Circulating Pump
- Cylinder Block
- Cylinder Head Assembly
- Cylinder Head, Bearing Plate Cover
- Electrical Components, Miscelleneous
- Electrical Plate Assembly
- Exhaust Manifold
- Flywheel and Mounts
- Fuel Filter Assembly
- Fuel Pump and Fuel Lines, 0M966603 and Below
- Fuel Pump and Fuel Lines, 0M966604 and Above
- Fuel Rail Assembly
- Fuel Regulator Assembly
- Intake Manifold
- Intercooler Assembly
- Oil Filter and Reservoir
- Oil Pan and Pump (0M966911 and Below)
- Oil Pan and Pump (0M966912 and Above)
- Power Steering Cooler Assembly
- Power Steering Pump, Pulleys
- Sea Water Pump Components
- Sea Water Pump, 0M966603 and Below
- Sea Water Pump, 0M966604 and Above
- Starter and Alternator
- Tensioner and Sprockets
- Transmission, Closed Coupling
- Transmission, Driveline
- Turbocharger, Turbine Assembly
- Turbocharger, Wastegate Adapter
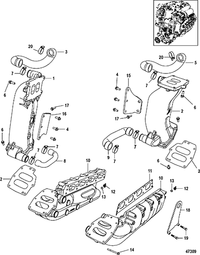
Ref. | OEM Part # | Hardin # | Mallory # | GLM # | Other # | Description | Num Req. | Superseded From | Special Notes |
1 | 8M0059921 | ELBOW ASSEMBLY, Exhaust | 1 | Port | |||||
1 | 8M0059922 | ELBOW ASSEMBLY, Exhaust | 1 | Starboard | |||||
2 | 27-8M0045392 | GASKET, Manifold to Elbow | 2 | ||||||
3 | 32-8M0045047 | HOSE, Elbow to Turbine, Port | 1 | ||||||
4 | 10-8M0061279 | SCREW, (M8 x 16) | 6 | ||||||
5 | 32-8M0045101 | HOSE, Manifold to Turbine, Starboard | 1 | ||||||
6 | 10-4010720 | SCREW, (M8 x 20) | AR | ||||||
6 | 10-4010725 | SCREW, (M8 x 25) | AR | ||||||
7 | 54-180768 | CLAMP, Worm Gear | AR | ||||||
8 | 32-8M0045035 | HOSE, Manifold to Elbow, Port | 1 | ||||||
9 | 32-8M0045034 | HOSE, Manifold to Elbow, Starboard | 1 | ||||||
10 | 8M0058664 | EXHAUST MANIFOLD ASSEMBLY, Port | 1 | ||||||
10 | 8M0058663 | EXHAUST MANIFOLD ASSEMBLY, Starboard | 1 | ||||||
11 | 27-8M0032724 | GASKET | 2 | ||||||
12 | 22-806608A02 | PLUG ASSEMBLY, (.500-13) Blue | 2 | ||||||
13 | 25-32509 | O-RING, (.489 x .070) | 1 | ||||||
14 | 10-8M0050472 | SCREW, (M8) | 20 | ||||||
15 | 8M0060268 | BRACKET | 1 | 8M8025298 | Starboard Elbow | ||||
16 | 8M0060267 | BRACKET | 1 | 8M8025297 | Port Elbow | ||||
17 | 10-4010825 | SCREW, (M10 x 25) Hex Flange - Stainless Steel | 4 | ||||||
18 | 8M8026028 | LIFTING PLATE KIT | 1 | ||||||
19 | 10-885526120 | SCREW, (M8 x 120) | 2 |