500 Bulldog - Serial 0K000248 Thru 0L001607 - Oil Cooler Assembly (Driveline Models)
Other Sub-Sections:
- Alternator Assembly (Mando AC-155603)
- Audio Warning System
- Carburetor And Linkage
- Crankshaft - Pistons - Connecting Rods
- Cylinder Block And Camshaft
- Cylinder Head And Rocker Cover
- Distributor And Ignition Components
- Driveshaft Extension Components (Bravo Models)
- Electrical Components
- Exhaust Blockoff Plate
- Exhaust Manifold And Elbow
- Flywheel Housing (Bravo Models)
- Flywheel Housing (Driveline Models)
- Intake Manifold And Front Cover
- Mount Plates (Single)
- Mount Plates (Staggered)
- Oil Cooler Assembly (Bravo Models)
- Oil Cooler Assembly (Driveline Models)
- Oil Filter And Oil Adaptor
- Oil Pump And Oil Pump
- Power-Assisted Steering Assembly
- Sea Water Pump Assembly
- Shift Bracket (Bravo Models)
- Starter And Alternator
- Starter Assembly (Bravo Models) (50-8M8021116)
- Starter Assembly (Driveline Models) (50-808011A1)
- Thermostat Housing And Water Hoses
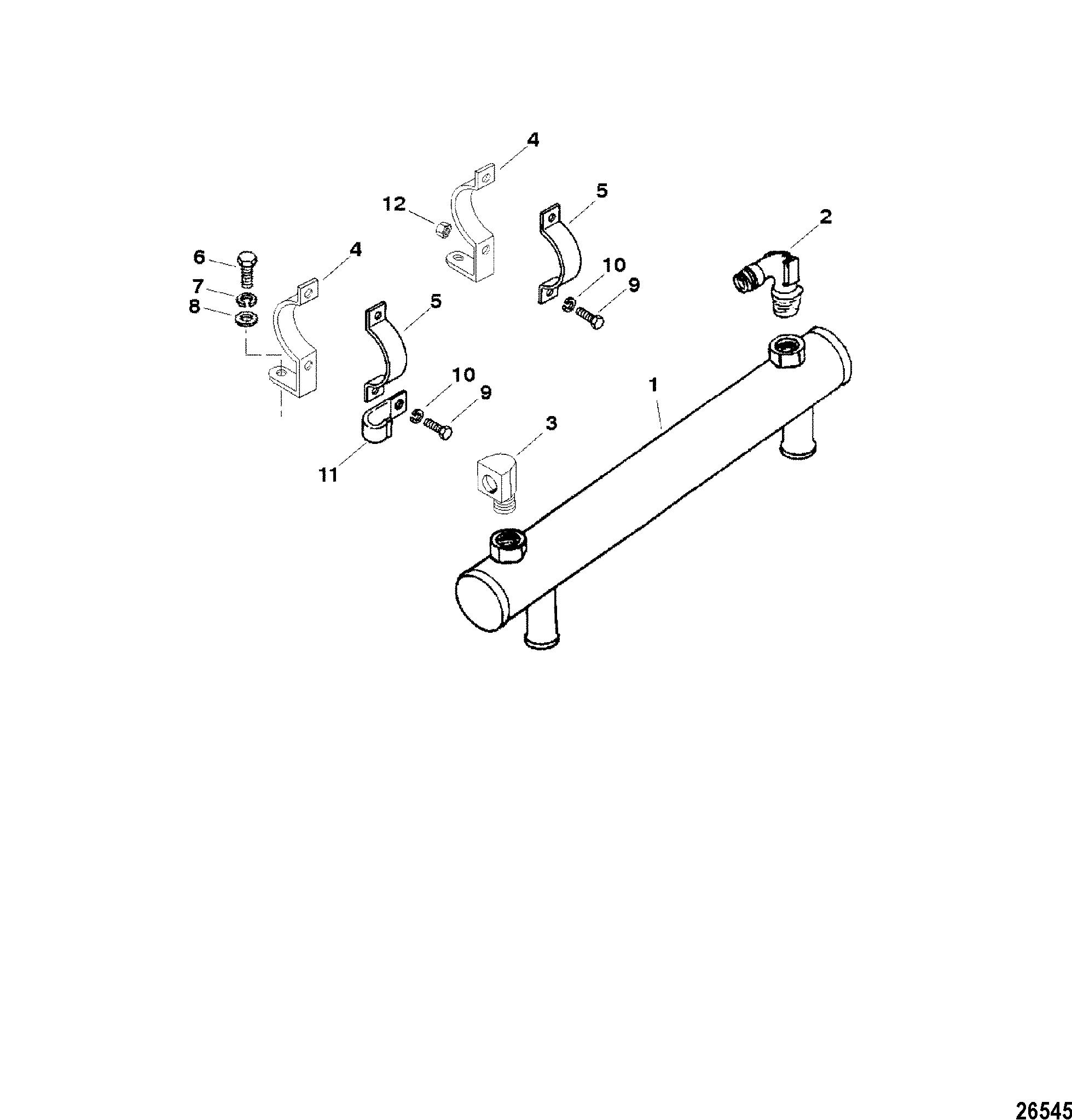
| Ref. | OEM Part # | Hardin # | Mallory # | GLM # | Other # | Description | Num Req. | Superceded From | Special Notes |
| 1 | 816482T | COOLER ASSEMBLY, Oil | 1 | 816482 | |||||
| - | 817043 | END CAP | 2 | ||||||
| - | 27-817042 | GASKET | 2 | ||||||
| - | 8M0039163 | O-RING, Special | 2 | 25-814878 | |||||
| - | 10-816767 | SCREW | 2 | ||||||
| 2 | 22-706811 | ELBOW, 90 Degree | 1 | ||||||
| 3 | 22-47630 | ELBOW, 90 Degree | 1 | ||||||
| 4 | 12820 | BRACKET, Oil Cooler | 2 | ||||||
| 5 | 56328A1 | BRACKET, Oil Cooler | 2 | ||||||
| 6 | 10-34353 | SCREW, (.375-16 x 1.00) | 2 | ||||||
| 7 | 13-35048 | LOCKWASHER, (.375) | 2 | ||||||
| 8 | 12-20553 | WASHER, (.406 x .734 x .063) | 2 | ||||||
| 9 | 10-60300 | SCREW, (.250-28 x .750) | 4 | ||||||
| 10 | 13-26992 | LOCKWASHER, (.250) | 4 | ||||||
| 11 | 54-15095 | J CLIP | 1 | ||||||
| 12 | 11-30506 | NUT, (.250-28) | 4 |


