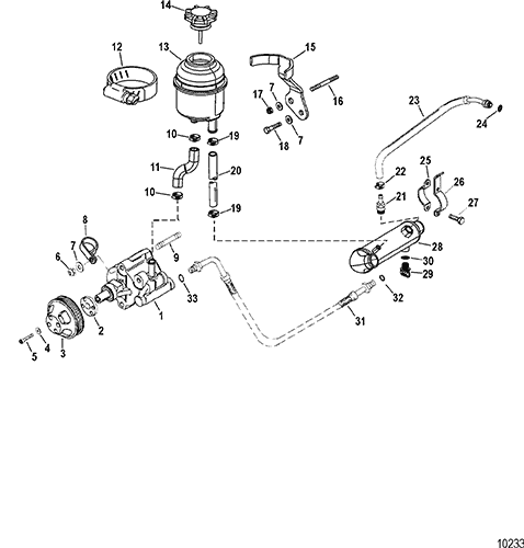
| Ref. |
OEM Part # |
Hardin # |
Mallory # |
GLM # |
Other # |
Description |
Num Req. |
Superceded From |
Special Notes |
| - |
849906A14 |
|
|
|
|
PUMP KIT, Power-Assisted Steering - Complete |
1 |
|
Design III |
| 1 |
849906A28 |
|
|
|
|
PUMP ASSEMBLY, Power-Assisted Steering - Black |
1 |
|
|
| 2 |
47530 |
|
|
|
|
HUB, Pump Pulley |
1 |
|
|
| 3 |
849048T |
|
|
|
|
PULLEY, Blue |
1 |
|
|
| 4 |
12-70132 |
|
|
|
|
WASHER, (.323 x .563 x .063) Stainless Steel |
4 |
|
|
| 5 |
10-849377 |
|
|
|
|
SCREW, (.312-24 x .750) Stainless Steel |
4 |
|
|
| 6 |
11-82671013 |
|
|
|
525-11-82671013 |
NUT, (.375-24) Stainless Steel |
1 |
|
|
| 7 |
12-856774 |
|
|
|
|
WASHER, (.406 x .750 x .105) Stainless Steel |
3 |
|
|
| 8 |
54-62494 |
|
|
|
|
CLIP |
1 |
|
|
| 9 |
16-849375 |
|
|
|
|
STUD, (.375-24 x 3.750) |
2 |
|
|
| 10 |
54-180761 |
|
|
|
|
CLAMP, Worm Gear |
2 |
|
|
| 11 |
32-845620 |
|
|
|
|
HOSE, (10.62 Inches), Reservoir To Pump |
1 |
|
|
| 12 |
54-18076016 |
|
|
|
|
CLAMP, Worm Gear |
1 |
|
|
| 13 |
865264T |
|
|
|
|
RESERVOIR ASSEMBLY, Oil - Power-Assisted Steering |
1 |
|
|
| 14 |
8M0050237 |
|
|
|
|
CAP, Oil Reservoir - Black |
1 |
865263001 |
|
| 15 |
842976 |
|
|
|
|
BRACKET |
1 |
|
|
| 16 |
16-842441 |
|
|
|
|
STUD, (.437-14/.437-20 x 2.250) |
1 |
|
|
| 17 |
11-82671013 |
|
|
|
525-11-82671013 |
NUT, (.375-24) Stainless Steel |
1 |
|
|
| 18 |
10-94247 |
|
|
|
525-10-94247 |
SCREW, (.375-16 x .750) Stainless Steel |
1 |
|
|
| 19 |
54-815504105 |
|
|
|
|
CLAMP, Worm Gear (11-18 mm) |
2 |
|
|
| 20 |
32-8M0062341 |
|
|
|
|
HOSE, (53.00 Inches Bulk), Cut 19.50 Inches - Reservoir To Cooler |
1 |
32-5251914 |
|
| 21 |
22-70834 |
|
|
|
|
CONNECTOR, (.375-18) Straight - Brass |
1 |
|
|
| 22 |
54-815504105 |
|
|
|
|
CLAMP, Worm Gear (11-18 mm) |
1 |
|
|
| 23 |
32-80622142 |
|
|
|
|
HOSE ASSEMBLY, (84.00 Inches Bulk), Cut 46.00 Inches |
1 |
|
|
| 24 |
25-89879 |
|
|
|
|
O-RING, (.301 x .064) |
1 |
|
|
| 25 |
563281 |
|
|
|
|
BRACKET, Oil Cooler - Short Style With Weldnut |
1 |
|
|
| 26 |
63820F3 |
|
|
|
|
BRACKET, Oil Cooler - Long Style |
1 |
638203 |
|
| 27 |
10-817505 |
|
|
|
|
SCREW, (.250-20 x .620) Stainless Steel |
2 |
|
|
| 28 |
849291 |
|
|
|
|
COOLER, Power Steering Oil |
1 |
|
|
| 29 |
22-806608A02 |
|
|
700-13992 |
|
PLUG KIT, (.500-13) Royal Blue |
1 |
22-806608A1 |
|
| 30 |
25-831985 |
|
|
|
|
O-RING, (.468 x .078) |
1 |
|
|
| 31 |
32-84243550 |
|
|
|
|
HOSE ASSEMBLY, Hi Pressure - Pump To Booster |
1 |
|
|
| 32 |
25-806232 |
|
|
|
|
O-RING, (.239 x .064) |
1 |
|
|
| 33 |
25-89879 |
|
|
|
|
O-RING, (.301 x .064) |
1 |
|
|