| Ref. |
OEM Part # |
Hardin # |
Mallory # |
GLM # |
Other # |
Description |
Num Req. |
Superceded From |
Special Notes |
| - |
1347-804626R1 |
|
676-9-34005 |
|
|
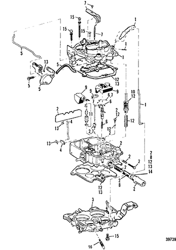
CARBURETOR ASSEMBLY |
1 |
1347-8291A3 |
|
| 1 |
1397-8752 |
|
|
|
|
AIR HORN KIT |
1 |
|
This Part is NLA from Mercruiser. |
| 2 |
1397-8823 |
|
|
|
|
FLOAT BOWL KIT |
1 |
|
This Part is NLA from Mercruiser. |
| 3 |
1397-8540 |
|
|
|
|
THROTTLE BODY KIT |
1 |
|
This Part is NLA from Mercruiser. |
| 4 |
1397-8541 |
|
|
|
|
LINK/LEVER KIT, Choke |
1 |
|
This Part is NLA from Mercruiser. |
| 5 |
1397-8582 |
|
|
|
|
PRIMARY VACUUM KIT |
1 |
|
This Part is NLA from Mercruiser. |
| 6 |
1397-8543T |
|
|
|
|
PISTON KIT |
1 |
1397-8543 |
|
| 7 |
1397-8824 |
|
|
|
|
METERING JET AND ROD KIT |
1 |
|
This Part is NLA from Mercruiser. |
| 8 |
1397-8767Q |
|
|
|
|
FILTER KIT, Fuel |
1 |
1397-8767 |
|
| 9 |
1397-8546T |
|
676-9-36903
|
|
|
FLOAT KIT |
1 |
1397-8546 |
|
| 10 |
1397-9669 |
|
|
|
|
PUMP KIT |
1 |
|
|
| 11 |
1397-8548 |
|
|
|
|
NEEDLE/SEAT KIT |
1 |
|
|
| - |
823426A1 |
|
| 676-9-37621 |
|
|
CARBURETOR KIT |
1 |
|
|
| 12 |
35-53336Q |
|
|
|
|
STRAINER |
1 |
|
|
| 13 |
27-524572 |
|
|
|
|
GASKET |
1 |
|
|
| 14 |
1397-8327 |
|
|
|
|
GASKET, INLET FUEL NUT |
1 |
|
|
| 15 |
1397-8557 |
|
|
|
|
SCREW KIT |
1 |
|
This Part is NLA from Mercruiser. |
| 16 |
NLA |
|
|
|
|
No Longer Available, SCREW-Idler Mix |
1 |
|
This Part is NLA from Mercruiser. |