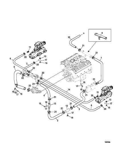
350 Mag MPI HORIZON Alpha-Bravo - Serial 0W310000 Thru 0W649999 - Standard Cooling System (ALPHA)(7 Point Drain)
Other Sub-Sections:
- Alternator and Brackets
- Closed Cooling System (ALPHA)
- Closed Cooling System (BRAVO)
- Cylinder Block (Camshaft and Crankshaft)
- Cylinder Block (Flywheel Housing and Rear Main Seal)
- Cylinder Head and Rocker Cover
- Distributor and Ignition Components
- Electrical Components(Digital Throttle and Shift)
- Electrical Components(Mechanical Throttle and Shift)
- Engine Mounts
- Exhaust Manifold and Elbow
- Exhaust Risers
- Exhaust System Components
- Front Cover and Circulating Pump
- Fuel Filter(Alpha)
- Fuel Supply Module(Alpha)
- Fuel Supply Module, Bravo
- Gasket Set Components (27-861246A05), Engine Overhaul
- Gear Lube Monitor
- Intake Manifold and Fuel Rail
- Jackshaft Components
- Mercathode Components
- Oil Pan and Oil Pump
- Pistons and Connecting Rods
- Power Steering Components
- Remote Oil Filter Assembly
- Sea Water Pump Assembly
- Shift Bracket (Alpha)
- Shift Bracket (Bravo)
- Shift Bracket (Digital Throttle and Shift)
- Standard Cooling System (ALPHA)(7 Point Drain)
- Standard Cooling System (ALPHA)(Single and 3 Point Drain)
- Standard Cooling System (BRAVO)(7 Point Drain)
- Standard Cooling System (BRAVO)(Single and 3 Point Drain)
- Starter Motor
- Thermostat and Housing (7 Point Drain)
- Thermostat and Housing (Single and 3 Point Drain)
- Throttle Body (Digital Throttle and Shift)
- Throttle Body (Mechanical)
- Water Distribution Housing
- Water Drain (Air Manifold and Pump)
| Ref. | OEM Part # | Hardin # | Mallory # | GLM # | Other # | Description | Num Req. | Superceded From | Special Notes |
| 1 | 32-8600891 | HOSE, Molded, Power Steering to Fuel Cooler | 1 | ||||||
| 2 | 32-866331 | HOSE, (4.00 Inches), Fuel Cooler to Drain Fitting | 1 | 32-80769440 | (Cut to Length) | ||||
| 3 | 32-864578 | HOSE, Drain Fitting to Check Valve | 1 | ||||||
| 4 | 32-864579 | HOSE, Check Valve to Thermostat Housing | 1 | ||||||
| 5 | 32-864703A1 | HOSE, Circulating Pump to Drain Elbow | 1 | ||||||
| 6 | 32-864538 | HOSE, Starboard Exhaust Elbow to Thermostat Housing | 1 | No longer made, limited availability | |||||
| 7 | 32-863459 | HOSE, Thermostat Housing to Starboard Manifold | 1 | ||||||
| 8 | 32-863458 | HOSE, Thermostat Housing to Port Manifold | 1 | ||||||
| 9 | 863841T | TUBE, Water, Brass | 1 | (Compact Hydralic Steering) | |||||
| 10 | 32-807661 | 676-9-44077 | HOSE, Transom Assembly to Power Steering Cooler | 1 | |||||
| 11 | 22-863804 | FITTING, (.750-14), Barb | 1 | No longer made, limited availability | |||||
| 12 | 861505 | FITTING, Drain Tee | 1 | ||||||
| 13 | 21-862271A1 | CHECK VALVE | 1 | ||||||
| 14 | 32-864435 | HOSE, Port Exhaust Elbow to Thermostat Housing | 1 | ||||||
| 15 | 22-862210A01 | 676-9-41206 | 700-13991 | ELBOW KIT, Drain | 2 | 22-806926A1 | |||
| 16 | 22-806608A02 | 700-13992 | PLUG KIT, (.500-13) Royal Blue | 9 | 22-806608A1 | ||||
| 17 | 25-32509 | O-RING, (.489 x .070) | 9 | ||||||
| 18 | 22-860088 | BUSHING | 4 | ||||||
| 19 | 22-46982 | FITTING, (90 Degree) | 1 | ||||||
| 20 | 54-815504216 | CLAMP, Worm Gear (1.56 Diameter), Hose | 4 | ||||||
| 21 | 54-815504222 | CLAMP, Worm Gear (1.98 DIameter), Hose | 11 | ||||||
| 22 | 54-815504228 | CLAMP, Worm Gear, Hose | 4 |


