350 Mag MPI HORIZON Alpha-Bravo - Serial 0W310000 Thru 0W649999 - Power Steering Components
Other Sub-Sections:
- Alternator and Brackets
- Closed Cooling System (ALPHA)
- Closed Cooling System (BRAVO)
- Cylinder Block (Camshaft and Crankshaft)
- Cylinder Block (Flywheel Housing and Rear Main Seal)
- Cylinder Head and Rocker Cover
- Distributor and Ignition Components
- Electrical Components(Digital Throttle and Shift)
- Electrical Components(Mechanical Throttle and Shift)
- Engine Mounts
- Exhaust Manifold and Elbow
- Exhaust Risers
- Exhaust System Components
- Front Cover and Circulating Pump
- Fuel Filter(Alpha)
- Fuel Supply Module(Alpha)
- Fuel Supply Module, Bravo
- Gasket Set Components (27-861246A05), Engine Overhaul
- Gear Lube Monitor
- Intake Manifold and Fuel Rail
- Jackshaft Components
- Mercathode Components
- Oil Pan and Oil Pump
- Pistons and Connecting Rods
- Power Steering Components
- Remote Oil Filter Assembly
- Sea Water Pump Assembly
- Shift Bracket (Alpha)
- Shift Bracket (Bravo)
- Shift Bracket (Digital Throttle and Shift)
- Standard Cooling System (ALPHA)(7 Point Drain)
- Standard Cooling System (ALPHA)(Single and 3 Point Drain)
- Standard Cooling System (BRAVO)(7 Point Drain)
- Standard Cooling System (BRAVO)(Single and 3 Point Drain)
- Starter Motor
- Thermostat and Housing (7 Point Drain)
- Thermostat and Housing (Single and 3 Point Drain)
- Throttle Body (Digital Throttle and Shift)
- Throttle Body (Mechanical)
- Water Distribution Housing
- Water Drain (Air Manifold and Pump)
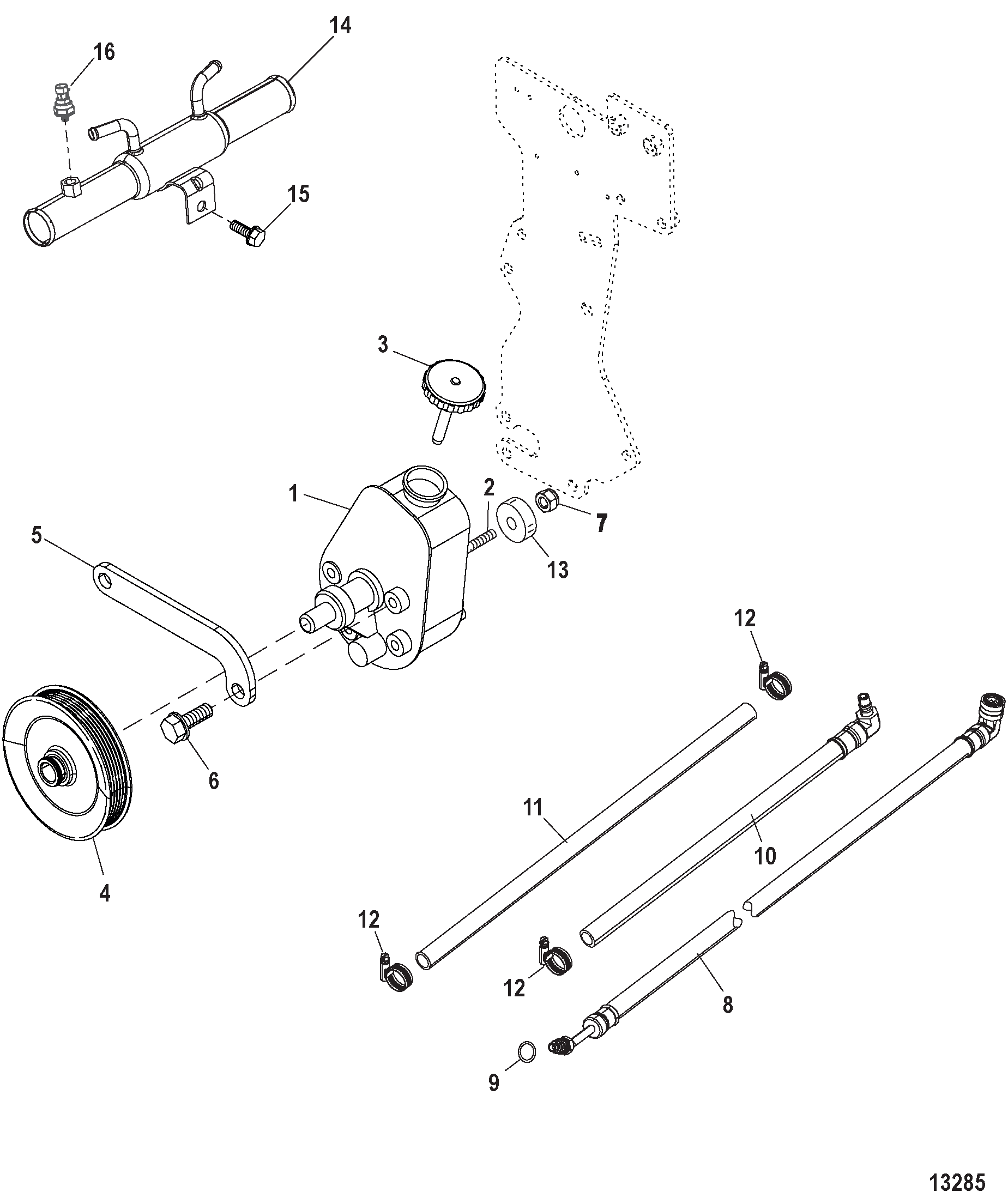
| Ref # | Part Class | Part Number | Description | Comments | Qty | Note |
|---|---|---|---|---|---|---|
| 1 | 0000 | OEM: 525-16792A39, Sierra: 676-18-7508 | PUMP ASSEMBLY Power Steering | 1 | ||
| 2 | 0016 | OEM: 525-16-41877 | STUD (M10) | 2 | ||
| 3 | 0036 | OEM: 525-36-95805 | CAP | 1 | ||
| 4 | 0000 | OEM: 525-861578, Sierra: 676-18-8297 | PULLEY | 1 | ||
| 5 | 0000 | OEM: 525-862082T | BRACE Power Steering | 1 | ||
| 6 | 0010 | OEM: 525-10-40001188 | SCREW (M10 x 20) | 2 | ||
| 7 | 0011 | OEM: 525-11-90517 | NUT (M10) | 2 | ||
| 8 | 0032 | OEM: 525-32-866685 | HOSE Female Quick Connect (Fittings on Both Ends) | 1 | ||
| 8 | 0032 | OEM: 525-32-866688 | HOSE Female Quick Connect (Fittings on Both Ends) | (Jackshaft Models) | 1 | |
| 9 | 0025 | OEM: 525-25-89879 | O-RING (.301 x .064) | 1 | ||
| 10 | 0032 | OEM: 525-32-865390015 | HOSE Male Quick Connect (Fitting on One End) | 1 | ||
| 10 | 0032 | OEM: 525-32-865390085 | HOSE Male Quick Connect (Fitting on One End) | (Jackshaft Models) | 1 | |
| 11 | 0032 | 5251914 | HOSE (53.00 Inches Bulk) Pump to Oil Cooler (37 Inch) | 1 | ||
| 12 | 0054 | OEM: 525-54-815504105 | CLAMP Worm Gear (11-18 mm) Hose | 3 | ||
| 13 | 0023 | OEM: 525-23-905201 | SPACER (.750 x .250) | 1 | ||
| 14 | 0000 | OEM: 525-863820T1 | COOLER Power Steering | 1 | ||
| 15 | 0010 | OEM: 525-10-816585 | SCREW (.312-18 x .875) | 1 | ||
| 16 | 0000 | 881879010 | SENSOR | 1 | ||
| NS | 0019 | 8079921 | COVER Hose Clamp End | (.25 Inside Diameter) | AR | |
| NS | 0019 | 8079923 | COVER Hose Clamp End | (.375 Inside Diameter) | 1 | |
| NS | 0000 | OEM: 525-77054 | TIE STRAP (14.50 Inches) | 1 |


