| Ref. |
OEM Part # |
Hardin # |
Mallory # |
GLM # |
Other # |
Description |
Num Req. |
Superceded From |
Special Notes |
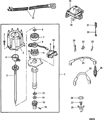
| 1 |
805222A1 |
|
|
|
|
DISTRIBUTOR ASSEMBLY |
1 |
|
|
| 2 |
808483T3 |
|
676-9-29411 |
700-71400 |
|
CAP, Distributor |
1 |
|
|
| 3 |
10-808491 |
|
|
|
|
SCREW |
2 |
|
This Part is NLA from Mercruiser |
| 4 |
8M6001253 |
|
|
700-71100 |
|
ROTOR |
1 |
8084841 |
|
| 5 |
808485T |
|
|
|
|
SHAFT ASSEMBLY, Main |
1 |
|
This Part is NLA from Mercruiser |
| 6 |
808487 |
|
|
|
|
RETAINER |
1 |
|
This Part is NLA from Mercruiser |
| 7 |
NSS |
|
|
|
|
NOT SOLD SEPARATE, SHIELD |
1 |
|
This Part is not sold separately 2 |
| 8 |
811639T |
|
|
700-72130 |
|
COIL |
1 |
|
|
| 9 |
811637001 |
|
|
|
|
MODULE |
1 |
811637T |
|
| 10 |
10-811638 |
|
|
|
|
SCREW |
2 |
|
This Part is NLA from Mercruiser |
| 11 |
811641 |
|
|
|
|
POLE PIECE |
1 |
|
|
| 12 |
17-808488 |
|
|
|
|
PIN |
1 |
|
This Part is NLA from Mercruiser |
| 13 |
12-46350 |
|
|
|
|
WASHER |
1 |
|
This Part is NLA from Mercruiser |
| 14 |
12-808489 |
|
|
|
|
WASHER |
1 |
|
|
| 15 |
43-808490 |
|
|
|
|
GEAR |
1 |
|
|
| 16 |
17-34109 |
|
|
|
|
PIN |
1 |
|
This Part is NLA from Mercruiser |
| 17 |
84-817376T01 |
|
|
|
|
HARNESS ASSEMBLY, Distributor Module to Ignition Coil |
1 |
84-817376T |
|
| 18 |
898253T27 |
|
|
|
|
COIL |
1 |
817378 |
|
| 19 |
10-805189 |
|
|
|
|
SCREW, (.375-16 x .750) |
2 |
|
|
| 20 |
16-90096A1 |
|
|
|
|
STUD ASSEMBLY, (#10-32 x Special) |
2 |
|
|
| 21 |
54-72821 |
|
|
|
|
RETAINER |
2 |
|
|
| 22 |
54676 |
|
|
|
|
RETAINER, Two Wire |
2 |
|
|
| 23 |
32783 |
|
|
|
|
RETAINER, Three Wire |
2 |
|
|
| 24 |
32784 |
|
|
|
|
RETAINER, Four Wire |
2 |
|
|
| 25 |
84-816608Q68 |
|
|
|
|
CABLE KIT, Ignition (SPARK PLUGS & COIL) |
1 |
84-816608A68 |
|
| 26 |
52185 |
|
|
|
|
CLAMP |
1 |
|
|
| 27 |
10-805559 |
|
|
|
|
SCREW, (.375-16 x .875) Stainless Steel |
1 |
|
|
| 28 |
27-344863 |
|
|
|
|
GASKET |
1 |
|
4 |
| 29 |
33-816336Q |
|
|
|
|
SPARK PLUG |
8 |
33-816336 |
|
| - |
27-802567A98 |
|
|
|
|
GASKET SET, Engine Overhaul |
1 |
|
|