4.3LX (GEN II) (4 BBL.) GM 262 V-6 - 0F601127 THRU 0F802999 - CARBURETOR (WEBER)
Other Sub-Sections:
- ALTERNATOR (MANDO)
- CARBURETOR (MERCARB - 2 BARREL)
- CARBURETOR (WEBER)
- CARBURETOR AND THROTTLE LINKAGE (2 BARREL)
- CARBURETOR AND THROTTLE LINKAGE (4 BARREL)
- CRANKSHAFT AND PISTONS
- CYLINDER BLOCK AND CAMSHAFT
- CYLINDER HEAD AND ROCKER COVER
- DISTRIBUTOR AND IGNITION COMPONENTS
- ENGINE MOUNTING
- EXHAUST MANIFOLD AND EXHAUST RISER
- EXHAUST SYSTEM
- FLYWHEEL HOUSING
- FUEL PUMP AND FUEL FILTER
- INTAKE MANIFOLD AND FRONT COVER
- MERCATHODE COMPONENTS
- OIL PAN AND OIL PUMP
- POWER STEERING COMPONENTS
- REMOTE OIL FILTER
- SEA WATER PUMP ASSEMBLY (USE WITH BRAVO ENGINES)
- SERVICE AND SUPPORT INFORMATION
- SHIFT BRACKET (USE WITH ALPHA ENGINES)
- SHIFT BRACKET (USE WITH BRAVO ENGINES)
- STANDARD COOLING SYSTEM
- STARTER MOTOR
- STARTER MOTOR AND ALTERNATOR
- SWISS EMISSIONS (BSO1 and SAV1)
- WIRING HARNESS AND ELECTRICAL COMPONENTS
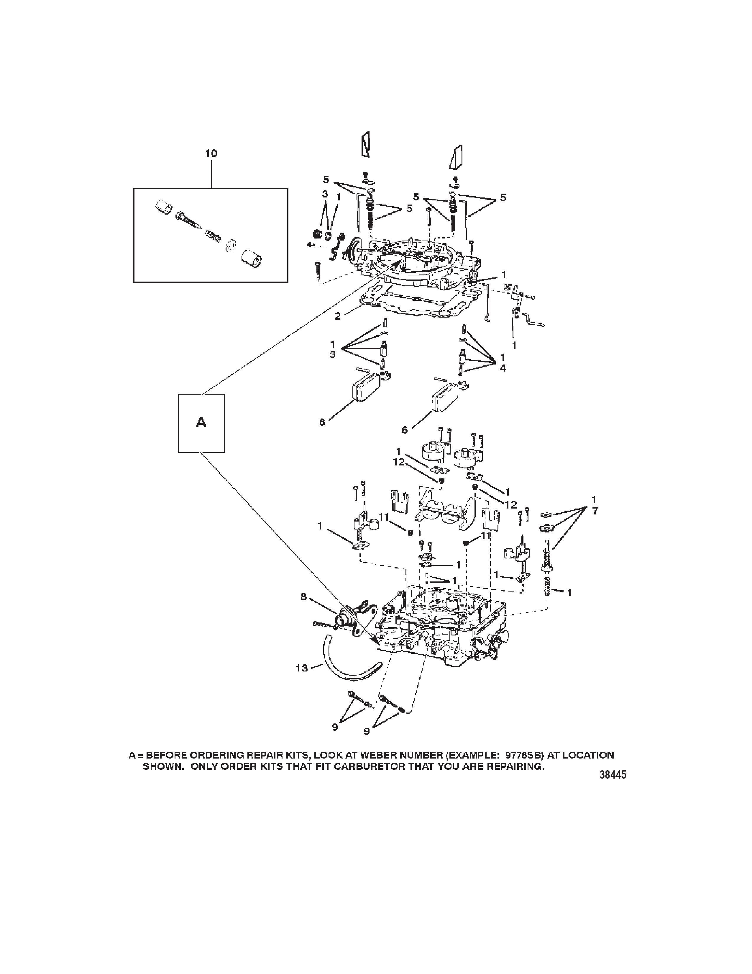
| Ref # | Part Class | Part Number | Description | Comments | Qty | Note |
|---|---|---|---|---|---|---|
| 1 | 0000 | 823728 | OVERHAUL KIT | (9600) | 1 | |
| 1 | 0000 | 809071 | OVERHAUL KIT | (9662)-SWISS EMISSIONS (BSO1 & SAV1) | 1 | |
| 2 | 0027 | OEM: 525-27-809077 | GASKET | 1 | ||
| 3 | 0000 | OEM: 525-811533 | FITTING KIT Inlet | 1 | ||
| 4 | 0000 | OEM: 525-823727, GLM: 700-40780 | NEEDLE/SEAT KIT Inlet | 2 | ||
| 5 | 0000 | 811831 | METERING ROD KIT | (9600) | 1 | |
| 5 | 0000 | 809073 | METERING ROD KIT | (9662)-SWISS EMISSIONS (BSO1 & SAV1) | 1 | |
| 6 | 0000 | 811536 | FLOAT KIT | 2 | ||
| 7 | 0000 | OEM: 525-811537 | PLUNGER KIT Pump | 1 | ||
| 8 | 0000 | 811538 | CHOKE KIT (Automatic Choke) | 1 | ||
| 9 | 0000 | OEM: 525-811539 | SCREW KIT Idle Mixture | (9600) | 2 | |
| 10 | 0000 | 809072 | SCREW KIT Idle Mixture | (9662)-SWISS EMISSIONS (BSO1 & SAV1) | 1 | |
| 11 | 0000 | OEM: 525-823724 | JET Metering - Secondary | (9600) | 2 | |
| 11 | 0000 | 809075 | PRIMARY METERING JET | (9662)-SWISS EMISSIONS (BSO1 & SAV1) | 2 | |
| 12 | 0000 | OEM: 525-823724 | JET Metering - Secondary | (9600) | 2 | |
| 12 | 0000 | 823721 | SECONDARY METERING JET | (9662)-SWISS EMISS. (BSO1 & SAV1) | 2 | |
| 13 | 0032 | OEM: 525-32-1430165 | TUBING (38.00 Inches Bulk) (Automatic Choke) | 1 |


