4.3LX (GEN II) (4 BBL.) GM 262 V-6 - 0F001220 THRU 0F601126 - CYLINDER HEAD AND ROCKER COVER
Other Sub-Sections:
- ALTERNATOR (MANDO)
- AUDIO WARNING SYSTEM
- BODENSEE PARTS
- CARBURETOR (MERCARB - 2 BARREL)
- CARBURETOR (WEBER)
- CARBURETOR AND THROTTLE LINKAGE (2 BARREL)
- CARBURETOR AND THROTTLE LINKAGE (4 BARREL)
- CRANKSHAFT AND PISTONS
- CYLINDER BLOCK AND CAMSHAFT
- CYLINDER HEAD AND ROCKER COVER
- DISTRIBUTOR AND IGNITION COMPONENTS
- ENGINE MOUNTING
- EXHAUST MANIFOLD AND EXHAUST RISER
- EXHAUST SYSTEM
- FLYWHEEL HOUSING
- FUEL PUMP AND FUEL FILTER
- INTAKE MANIFOLD AND FRONT COVER
- OIL PAN AND OIL PUMP
- POWER STEERING COMPONENTS
- REMOTE OIL FILTER
- SERVICE AND SUPPORT MATERIAL
- SHIFT BRACKET
- STANDARD COOLING SYSTEM (DESIGN I)
- STANDARD COOLING SYSTEM (DESIGN II)
- STARTER MOTOR 3-1-4 DIAMETER END CAP
- STARTER MOTOR 8 IN. (PG 260) 2-7-8 IN. DIAMETER END CAP
- STARTER MOTOR AND ALTERNATOR
- WIRING HARNESS AND ELECTRICAL COMPONENTS
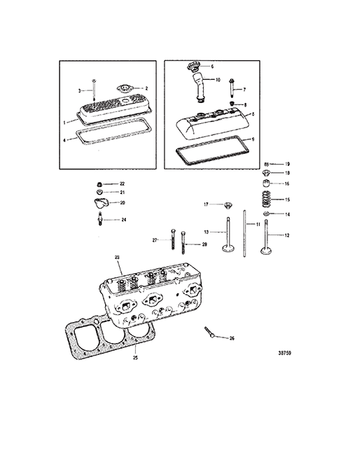
| Ref # | Part Class | Part Number | Description | Comments | Qty | Note |
|---|---|---|---|---|---|---|
| 1 | 0000 | 14252 | ROCKER COVER (RIGHT) METAL ROCKER COVER | 1 | ||
| 1 | 0000 | 814504 | ROCKER COVER (LEFT) METAL ROCKER COVER | 1 | ||
| 2 | 0036 | 18710 | CAP Metal Rocker Cover | 1 | ||
| 3 | 0010 | 811842 | SCREW | 6 | ||
| 4 | 0027 | OEM: 525-27-11988, Sierra: 676-18-0311, GLM: 700-30359 | GASKET Metal Rocker Cover | 2 | [1] | |
| 5 | 0000 | OEM: 525-827149 | COVER (LEFT) PLASTIC ROCKER COVER | 1 | ||
| 5 | 0000 | OEM: 525-827150 | COVER (RIGHT) PLASTIC ROCKER COVER | 1 | ||
| 6 | 0036 | OEM: 525-36-827151 | CAP Oil Fill | 1 | ||
| 7 | 0010 | OEM: 525-10-827153 | SCREW | 6 | ||
| 8 | 0025 | OEM: 525-25-827155 | O-RING | 6 | ||
| 9 | 0027 | OEM: 525-27-827154, Sierra: 676-18-61319, GLM: 700-30358 | GASKET Rocker Cover | 2 | [1] | |
| 10 | 0000 | OEM: 525-806754T | TUBE Oil Fill | 1 | ||
| 11 | 0000 | 17339 | PUSH ROD | 12 | ||
| 12 | 0000 | 824317 | VALVE Exhaust (STANDARD) | 6 | ||
| 12 | 0000 | 824318 | VALVE Exhaust (.015 O.S.) | AR | ||
| 13 | 0000 | OEM: 525-97661 | VALVE Intake-Standard Intake (STANDARD) | 6 | ||
| 13 | 0000 | 97662 | VALVE Intake (.015 O.S.) | AR | ||
| 14 | 0026 | OEM: 525-26-34217, Sierra: 676-18-0518 | SEAL (INLET AND EXHAUST) | 12 | [1] | |
| 14 | 0026 | 97664 | SEAL (INLET) | 6 | [1] | |
| 15 | 0024 | OEM: 525-24-48347, Sierra: 676-18-4442 | SPRING (INLET AND EXHAUST) | 12 | ||
| 16 | 0000 | 34518 | SHIELD | 12 | ||
| 17 | 0000 | 48348 | CAP | 6 | ||
| 18 | 0000 | 11965 | ROTATOR | 6 | ||
| 19 | 0028 | 54797 | KEY | 24 | ||
| 20/21 | 0000 | 824335 | ROCKER ARM AND BALL KIT | 12 | ||
| 22 | 0011 | OEM: 525-11-850093 | NUT | 12 | ||
| 23 | 0938 | 824147 | CYLINDER HEAD (USE W/ METAL ROCKER COVER) | 2 | ||
| 23 | 0938 | 827178 | CYLINDER HEAD (USE W/ PLASTIC ROCKER COVER) | 2 | ||
| 24 | 0016 | 801882 | STUD | 12 | ||
| 25 | 0027 | 816460 | GASKET | 2 | [1] | |
| 26 | 0010 | OEM: 525-10-11968 | SCREW (.437-14 x 1.750) | 12 | ||
| 27 | 0010 | 11967 | BOLT (3 In.) (3") | 4 | ||
| 28 | 0010 | OEM: 525-10-11966 | SCREW (.437-14 x 3.750) | 10 | ||
| - | 0000 | 806346A1 | MARINE LONG BLOCK ENGINE (2 BARREL) | INCLUDES INTERNAL PARTS AND CYLINDER HEADS | 1 | [2] |
| - | 0000 | 806347A1 | MARINE LONG BLOCK ENGINE (4 BARREL) | INCLUDES INTERNAL PARTS AND CYLINDER HEADS | 1 | [3] |
| - | 0027 | OEM: 525-27-824326A93, GLM: 700-39013 | GASKET SET OVERHAUL | 1 | ||
| - | 0092 | 916011 | SEALER Red RTV | 1 | ||
| - | 0092 | 342271 | SEALING COMPOUND (16 Ounce) | 1 |
PART NOTES:
[1] - Component of Gasket Set 824326A93
[2] - Alternate part numbers:
806346A 1QS
806347R 5Reman Plat.
806347R50Reman Int'l
891779R05Reman
[3] - Alternate part numbers:
806347A 1QS
806347R 5Reman Plat.
806347R50Reman Int'l
891779R05Reman


