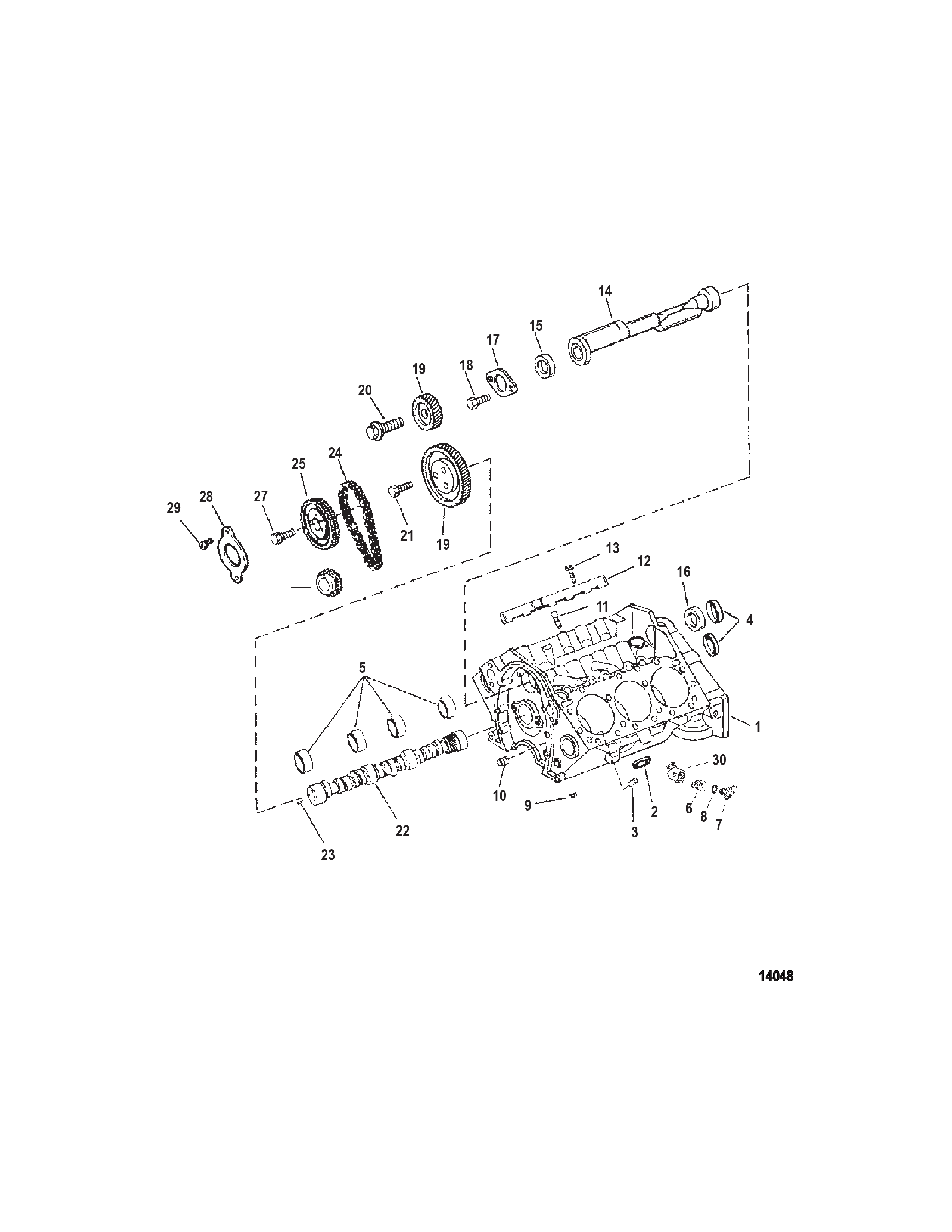
4.3L EFI (GEN+) TBI GM 262 V-6 - 0L012009 THRU 0L618999 - Cylinder Block and Camshaft
Other Sub-Sections:
- Alternator and Brackets (Delco)
- Alternator and Brackets (Mando)
- Alternator Components (Mando)
- Closed Cooling System
- Crankshaft and Pistons
- Cylinder Block and Camshaft
- Cylinder Head and Rocker Cover
- Decals
- Distributor (S-N-0L012009 - 0L359999)
- Distributor (S-N-0L360000 and Up)
- ECM and Electrical Brackets (S-N-0L012009 - 0L359999)
- ECM and Electrical Brackets (S-N-0L360000 and Up)
- Electrical Components
- Engine Mounting
- Exhaust Manifold (1 Piece)
- Exhaust Manifold and Exhaust Elbow (2 Piece)
- Exhaust System (Use With 1 Piece Manifold)
- Exhaust System (Use With 2 Piece Manifold))
- Flywheel Housing
- Fuel Filter
- Fuel Pump and Fuel Cooler
- Intake Manifold and Front Cover
- Mercathode Components
- Oil Pan and Oil Pump
- Oil Reservoir Bottle and Bracket
- Power Steering Components
- Remote Oil Filter
- Sea Water Pump (Use With Bravo Engines)
- Serpentine Belts
- Service-Support Material
- Shift Bracket (Alpha Engines)
- Shift Bracket (Bravo Engines)
- Standard Cooling System
- Starter Motor (Delco-PG260F1)
- Swiss Emissions Parts (BSO1 and SAV1)
- Throttle Body
- Throttle Linkage
- Wiring Harness (EFI)
- Wiring Harness (Engine)
| Ref # | Part Class | Part Number | Description | Comments | Qty | Note |
|---|---|---|---|---|---|---|
| 1 | NSS | NOT SOLD SEPARATE Cylinder Block (Order Long Block 807736A1) | 1 | [1] | ||
| 2 | 0019 | OEM: 525-19-34270 | EXPANSION PLUG (1.625) | 6 | ||
| 3 | 0017 | OEM: 525-17-35465 | PIN Dowel (.312) | 6 | ||
| 4 | 0022 | OEM: 525-22-72640 | PLUG Expansion | 2 | ||
| 5 | 0023 | OEM: 525-23-802999 | BEARING SET | 1 | ||
| 6 | 0022 | OEM: 525-22-860088 | BUSHING | 1 | ||
| 7 | 0022 | 806608A1 | PLUG KIT (.500-13) Royal Blue | 2 | [2] | |
| 8 | 0025 | 32509 | O-RING (.489 x .070) | 2 | [3] | |
| 9 | 0022 | OEM: 525-22-42796 | VALVE Oil Filter Bypass | 1 | ||
| 9 | 0022 | OEM: 525-22-878050 | VALVE | (GM BLOCK CODES 0LK, 0LJ) | 1 | |
| 10 | 0019 | OEM: 525-19-816565 | PLUG Cup (.468) | 1 | ||
| 11 | 0000 | OEM: 525-8118441 | LIFTER Roller | 12 | ||
| 11 | 0000 | OEM: 525-878051 | LIFTER Roller | (GM BLOCK CODE 0LK, 0LJ) | 12 | |
| 12 | 0000 | OEM: 525-8243311 | RETAINER Lifter | 2 | ||
| 13 | 0010 | 8243321 | SCREW (.312-18 x .625) | 4 | ||
| 14 | 0000 | OEM: 525-8241481 | BALANCED SHAFT | 1 | ||
| 15 | NSS | NOT SOLD SEPARATE Ball Bearing (FRONT) | 1 | |||
| 16 | 0031 | OEM: 525-31-824150 | BEARING Needle (REAR) | 1 | ||
| 17 | 0000 | 824153 | RETAINER Balance Shaft | 1 | ||
| 18 | 0010 | 17343 | SCREW (.250-20 x .500) | 2 | ||
| 19 | 0043 | OEM: 525-43-8241511 | GEAR KIT | 1 | ||
| 20 | 0010 | 824152 | SCREW | 1 | ||
| 21 | 0010 | 824329 | SCREW (.312-18 x .750) | 3 | ||
| 22 | 0431 | OEM: 525-431-803186 | CAMSHAFT | 1 | ||
| 23 | 0017 | 353121 | PIN Dowel | 1 | ||
| 24 | 0000 | OEM: 525-17161T | CHAIN Timing | 1 | ||
| 25 | 0043 | 824328 | SPROCKET Camshaft | 1 | ||
| 26 | 0043 | OEM: 525-43-17160 | SPROCKET Crankshaft | 1 | ||
| 27 | 0010 | 824329 | SCREW (.312-18 x .750) | 3 | ||
| 28 | 0000 | OEM: 525-824333 | RETAINER Camshaft | 1 | ||
| 29 | 0010 | OEM: 525-10-824334 | SCREW (.250-20 x .500) | 2 | ||
| 30 | 0022 | OEM: 525-22-37682 | FITTING Elbow (45 Degree) | 1 | ||
| - | 0000 | 861740A1 | MARINE LONG BLOCK ENGINE | 1 | ||
| - | 0027 | OEM: 525-27-807756A96 | GASKET SET Engine Overhaul | 1 | ||
| - | 0092 | 809825 | RTV SILICONE (3 Ounce Tube) Metallic Blue | 1 | ||
| - | 0092 | 342271 | SEALING COMPOUND (16 Ounce) | 1 |
PART NOTES:
[1] - NOT SOLD SEPARATE
[2] - Alternate part numbers:
806608A 1Service Part
806608Q01QS
[3] - COMPONENT OF ENGINE OVERHAUL GASKET SET 807756A96


