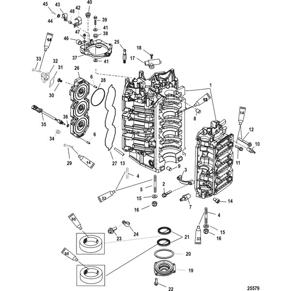
| Ref. |
OEM Part # |
Hardin # |
Mallory # |
GLM # |
Other # |
Description |
Num Req. |
Superceded From |
Special Notes |
| 1 |
885-9811T72 |
|
|
|
|
CYLINDER BLOCK ASSEMBLY |
1 |
|
|
| 2 |
10-81893440 |
|
|
|
|
SCREW, (M8 x 40) |
4 |
|
|
| 3 |
8M0041759 |
|
|
|
|
BRACKET |
2 |
8569662 |
|
| 4 |
16-903509 |
|
|
|
|
STUD, (M10 x 1.5 x64) |
8 |
|
|
| 5 |
16-815443002 |
|
|
|
|
STUD, (M10 x 165) |
2 |
|
|
| 6 |
17-63779 |
|
|
|
|
PIN, Dowel (.250 x .625) |
4 |
|
|
| 7 |
21-8781051 |
|
|
|
|
CHECK VALVE |
1 |
|
|
| 8 |
17-8M0036405 |
|
|
|
|
PIN |
3 |
67296 |
|
| 9 |
17-43044 |
|
|
|
|
PIN, Dowel - Without Hole (.375 x .625) |
1 |
|
|
| 10 |
22-8245021 |
|
|
|
|
CONNECTOR |
1 |
|
|
| 11 |
10-81893435 |
|
|
|
|
SCREW, (M8 x 35) |
14 |
|
|
| 12 |
10-82446180 |
|
|
|
|
SCREW, (M10 x 80) |
8 |
|
|
| 13 |
8248577 |
|
|
|
|
DEFLECTOR |
6 |
|
|
| 14 |
10-82494810 |
|
|
|
|
SCREW, (M6 x 10) |
1 |
|
|
| 15 |
12-856774 |
|
|
|
|
WASHER, (.406 x .750 x .105) Stainless Steel |
10 |
|
|
| 16 |
11-4013610 |
|
|
|
|
NUT, (M10) Stainless Steel |
10 |
|
|
| 17 |
8M0082988 |
|
|
|
|
SENSOR |
1 |
8283582 |
|
| 18 |
10-40011107 |
|
|
|
|
SCREW, (M5 x 16) Stainless Steel |
2 |
|
|
| 19 |
1171-9787A4 |
|
|
|
|
END CAP ASSEMBLY |
1 |
|
|
| 20 |
25-62700 |
|
|
|
|
O-RING, (3.237 x .103) |
1 |
|
|
| 21 |
26-8308981 |
|
|
|
|
SEAL |
2 |
|
|
| 22 |
10-82130020 |
|
|
|
|
SCREW, (M6 x 20) |
4 |
|
|
| 23 |
10-82130012 |
|
|
|
|
SCREW, (M6 x 12) |
1 |
|
|
| 24 |
54-858902 |
|
|
|
|
CLAMP |
1 |
|
|
| 25 |
8215832 |
|
|
|
|
PIN, Special (1.5 Inches) |
1 |
|
|
| 26 |
900-841021A08 |
|
|
|
|
CYLINDER HEAD ASSEMBLY, Starboard |
1 |
|
|
| 26 |
900-841020A08 |
|
|
|
|
CYLINDER HEAD ASSEMBLY, Port |
1 |
|
|
| 27 |
818574 |
|
|
|
|
SEAL |
2 |
|
|
| 28 |
884391 |
|
|
|
|
SEAL |
6 |
|
|
| 29 |
10-8M0045380 |
|
|
|
|
SCREW, (M8 x 50) |
40 |
891570050 |
|
| 30 |
8M0057307 |
|
|
|
|
THERMOSTAT, 54 Degree C/130 Degree F |
2 |
885599004 |
|
| 31 |
27-8503181 |
|
|
|
|
GASKET |
2 |
|
|
| 32 |
887601002 |
|
|
|
|
COVER, Port |
1 |
|
|
| 32 |
887602002 |
|
|
|
|
COVER, Starboard |
1 |
|
|
| 33 |
10-82130025 |
|
|
|
|
SCREW, (M6 x 25) |
4 |
|
|
| 34 |
22-328022 |
|
|
|
|
PLUG, Pipe (.125-27) Brass |
1 |
|
|
| 35 |
885342002 |
|
|
|
|
SENSOR ASSEMBLY |
2 |
|
|
| 36 |
25-896699 |
|
|
|
|
O-RING, (1.78 mm x .08 mm) |
2 |
|
|
| 37 |
857186T02 |
|
|
|
|
PLATE ASSEMBLY |
1 |
|
|
| 38 |
23-855729 |
|
|
|
|
MOUNT |
3 |
|
|
| 39 |
10-82130145 |
|
|
|
|
SCREW, (M10 x 45) |
3 |
|
|
| 40 |
25-19565002 |
|
|
|
|
GROMMET |
1 |
|
|
| 41 |
12-855725 |
|
|
|
|
WASHER |
6 |
|
|
| 42 |
54-65292 |
|
|
|
|
J CLIP |
1 |
|
|
| 43 |
54-858424 |
|
|
|
|
CLAMP |
1 |
|
|
| 44 |
12-29245 |
|
|
|
|
WASHER, (.281 x .500 x .060) Stainless Steel |
1 |
|
|
| 45 |
10-82130016 |
|
|
|
|
SCREW, (M6 x 16) |
2 |
|
|
| 46 |
54-858951 |
|
|
|
|
J CLIP |
1 |
|
|
| 47 |
10-82130012 |
|
|
|
|
SCREW, (M6 x 12) |
1 |
|
|
| 48 |
23-421581 |
|
|
|
|
BUSHING |
1 |
|
|
| - |
61-841017A52 |
|
|
|
|
POWERHEAD ASSEMBLY |
1 |
|
|
| - |
27-841220A03 |
|
|
|
|
GASKET SET, Powerhead |
1 |
|
|