| Ref. |
OEM Part # |
Hardin # |
Mallory # |
GLM # |
Other # |
Description |
Num Req. |
Superceded From |
Special Notes |
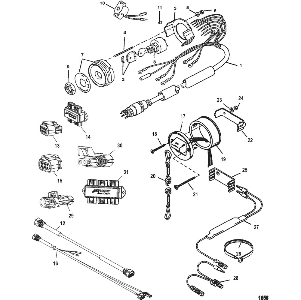
| 1 |
84-816626A20 |
|
|
|
|
HARNESS ASSEMBLY, Key Switch (20.00 Feet) |
1 |
|
|
| 2 |
90468A1 |
|
|
|
|
COVER ASSEMBLY, Key |
2 |
|
|
| 3 |
76424 |
|
|
|
|
BRACKET |
1 |
|
|
| 4 |
16-55422 |
|
|
|
|
STUD, (#10-32 x 2.00) |
2 |
|
|
| 5 |
12-24676 |
|
|
|
|
WASHER, (.200 x .440 x .032) |
2 |
|
|
| 6 |
11-68219 |
|
|
|
|
NUT, (#10-32) Stainless Steel |
2 |
|
|
| 7 |
816479A3 |
|
|
|
|
PLATE KIT |
2 |
|
|
| 8 |
87-88107A5 |
|
|
|
|
SWITCH KIT, Key |
1 |
|
|
| 9 |
11-879755 |
|
|
|
|
NUT, Special - Black Nylon |
1 |
|
|
| 10 |
8M0089727 |
|
|
|
|
ALARM |
1 |
816492A2 |
|
| 11 |
23-8127111 |
|
|
|
|
SPACER, (.375) |
2 |
|
|
| 11 |
23-812711 |
|
|
|
|
SPACER, (.250) |
2 |
|
|
| 0 |
894911 |
|
|
|
|
KEY, Ignition (1A) |
1 |
|
|
| 0 |
894912 |
|
|
|
|
KEY, Ignition (1B) |
1 |
|
|
| 0 |
894913 |
|
|
|
|
KEY, Ignition (1C) |
1 |
|
|
| 0 |
894914 |
|
|
|
|
KEY, Ignition (1D) |
1 |
|
|
| 0 |
894915 |
|
|
|
|
KEY, Ignition (1E) |
1 |
|
|
| 0 |
894916 |
|
|
|
|
KEY, Ignition (1F) |
1 |
|
|
| 0 |
894917 |
|
|
|
|
KEY, Ignition (2A) |
1 |
|
|
| 0 |
894918 |
|
|
|
|
KEY, Ignition (2B) |
1 |
|
|
| 0 |
894919 |
|
|
|
|
KEY, Ignition (2C) |
1 |
|
|
| 0 |
8949110 |
|
|
|
|
KEY, Ignition (2D) |
1 |
|
|
| 0 |
8949111 |
|
|
|
|
KEY, Ignition (2E) |
1 |
|
|
| 0 |
8949112 |
|
|
|
|
KEY, Ignition (2F) |
1 |
|
|
| 12 |
84-879981T20 |
|
|
|
|
HARNESS ASSEMBLY, (SC1000R-20) |
1 |
|
|
| 13 |
859318T1 |
|
|
|
|
TERMINATOR, 10 Pin (CAN 1 and 2) |
1 |
|
|
| 14 |
878492T14 |
|
|
|
|
JUNCTION BOX, 4 Way |
1 |
878492T4 |
|
| 15 |
859318T2 |
|
|
|
|
CAP, Weather - 10 Pin |
1 |
|
|
| 16 |
84-879979T11 |
|
|
|
|
HARNESS ASSEMBLY, Tachometer (SC1000-3) |
1 |
879979T1 |
|
| 17 |
87-19674A1 |
|
|
|
|
SWITCH ASSEMBLY, Lanyard |
1 |
|
No Longer Available |
| 18 |
10-18303 |
|
|
|
|
SCREW, (.190-16 x 1.750) Stainless Steel |
2 |
|
|
| 19 |
813679 |
|
|
|
|
ADAPTER |
1 |
|
|
| 20 |
15920Q54 |
|
|
|
|
LANYARD ASSEMBLY |
1 |
|
No Longer Available |
| 21 |
10-32866 |
|
|
|
|
SCREW, (#10-32 x 2.00) Stainless Steel |
2 |
|
|
| 22 |
18321 |
|
|
|
|
CLAMP, Mounting |
1 |
|
|
| 23 |
12-24676 |
|
|
|
|
WASHER, (.200 x .440 x .032) |
2 |
|
|
| 24 |
11-68219 |
|
|
|
|
NUT, (#10-32) Stainless Steel |
4 |
|
|
| 25 |
79146 |
|
|
|
|
RETAINER |
3 |
|
|
| 26 |
54-816311T |
|
|
|
|
TIE STRAP, (8.00 Inches) |
AR |
|
|
| 27 |
812497A2 |
|
|
|
|
DIODE ASSEMBLY |
1 |
|
No Longer Available |
| 28 |
84-11149A2 |
|
|
|
|
CABLE ASSEMBLY, (6.00 Inches) |
1 |
|
|
| 29 |
881176A1 |
|
|
|
|
CAP ASSEMBLY, 3 Position-Male Connector, Female |
1 |
|
|
| 30 |
881175A1 |
|
|
|
|
CAP ASSEMBLY, 3 Position-Female Connector, Male |
1 |
|
|
| 31 |
878492T16 |
|
|
|
|
JUNCTION BOX, 6 Way |
1 |
878492T6 |
|
| - |
84-879968T10 |
|
|
|
|
HARNESS ASSEMBLY, (SC1000-10) |
1 |
|
|
| - |
32-858610A31 |
|
|
|
|
HOSE ASSEMBLY, Fuel |
1 |
|
No Longer Available |
| - |
79-879896K10 |
|
|
|
|
SYSTEM MONITOR KIT, SC1000 - Front Mount |
1 |
879896K4 |
No Longer Available |