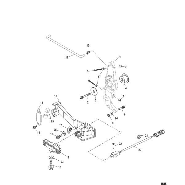
250XS 3.0L DFI - Serial 0T651945 Thru 0T818042 - Throttle Linkage
Other Sub-Sections:
- Accessories
- Air Compressor Components
- Air Handler
- Air Hoses
- Bottom Cowl
- Coil Plate
- Crankshaft, Pistons And Connecting Rods
- Drive Shaft Housing And Exhaust Tube
- Dual Engine Tie Bar Kit
- Exhaust Plate
- Flywheel/Alternator
- Fuel Pump
- Fuel Rails
- Fuel System
- Gear Housing, Driveshaft - SportMaster
- Gear Housing, Driveshaft - TorqueMaster
- Gear Housing, Driveshaft-Standard/Counter-FleetMaster
- Gear Housing, Propeller Shaft - SportMaster
- Gear Housing, Propeller Shaft - Torque Master
- Gear Housing, Propeller Shaft-Counter-FleetMaster
- Gear Housing, Propeller Shaft-Standard-FleetMaster
- Hydraulic Pump And Mounting Brackets
- Hydraulic Pump Assembly
- Oil Injection Components
- Port Center Main Oiling System
- Power Trim Components
- Solenoid Plate And Electrical Wiring
- Speedometer/Block Pressure System
- Starboard Center Main Oiling System
- Starter Motor
- Steering Attaching Kit
- Swivel Bracket(Heavy Duty)
- Swivel Bracket(With Integral Trim)
- Throttle Linkage
- Top Cowl
- Transom Bracket(Heavy Duty)
- Transom Brackets
- Vapor Separator Components
- Water Hoses
| Ref. | OEM Part # | Hardin # | Mallory # | GLM # | Other # | Description | Num Req. | Superceded From | Special Notes |
| 1 | 8M0040987 | LEVER | 1 | 8252682 | |||||
| 2 | 10-81893435 | SCREW, (M8 x 35) | 1 | ||||||
| 3 | 12-36042 | WASHER | 1 | ||||||
| 4 | 23-821113 | BUSHING | 1 | ||||||
| 5 | 10-40124 | SCREW, (M6 x 55) | 2 | ||||||
| 6 | 11-400212 | NUT, (M6) Stainless Steel | 2 | ||||||
| 7 | 42942 | CAP | 2 | ||||||
| 8 | 42927 | INSERT | 1 | ||||||
| 9 | 11-401386 | NUT, (M6) Stainless Steel | 1 | ||||||
| 10 | 23-932481 | BUSHING | 1 | ||||||
| 11 | 8583541 | LINK | 1 | ||||||
| 12 | 824010T05 | BRACKET | 1 | 8240102 | |||||
| 13 | 824016 | LATCH | 1 | ||||||
| 14 | 10-42975 | DRIVE SCREW | 2 | ||||||
| 15 | 824015 | CUP, Barrel Retainer | 2 | ||||||
| 16 | 10-82155025 | SCREW, (M8 x 25 MM) Stainless Steel | 2 | ||||||
| 17 | 54-859172 | CLAMP | 1 | ||||||
| 18 | 10-82155025 | SCREW, (M8 x 25 MM) Stainless Steel | 1 | ||||||
| 19 | 8M0039052 | GUIDE, Roller | 1 | 8546531 | |||||
| 20 | 87-8M0052939 | SWITCH | 1 | 814281A7 | |||||
| 21 | 54-816311T | TIE STRAP, (8.00 Inches) | 1 | ||||||
| 22 | 10-82470620 | SCREW, (M3.5 x 20) | 2 | ||||||
| 23 | 12-43430 | WASHER | 1 | ||||||
| 24 | 12-35459 | WASHER | 1 | ||||||
| 25 | 12-36001 | WASHER | 1 |


