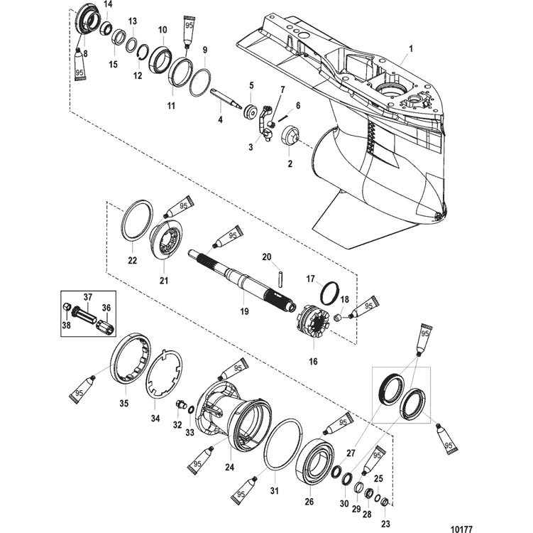
| Ref. |
OEM Part # |
Hardin # |
Mallory # |
GLM # |
Other # |
Description |
Num Req. |
Superceded From |
Special Notes |
| - |
1600-880686T23 |
|
|
|
|
GEAR HOUSING ASSEMBLY, Complete |
1 |
|
|
| - |
1600-880686T24 |
|
|
|
|
GEAR HOUSING ASSEMBLY, Complete |
1 |
|
|
| 1 |
1600-8M0056631 |
|
|
|
|
GEAR HOUSING ASSEMBLY, Basic |
1 |
|
No Longer Available |
| 2 |
NSS |
|
|
|
|
Plug |
1 |
|
Not Sold Seperate |
| 3 |
896847A01 |
|
|
|
|
CRANK, Shifter |
1 |
892075 |
|
| 4 |
19755T7 |
|
|
|
|
SPOOL ASSEMBLY |
1 |
|
|
| 5 |
NSS |
|
|
|
|
Spool |
1 |
|
Not Sold Seperate |
| 6 |
18-469501 |
|
|
|
|
COTTER PIN |
1 |
|
|
| 7 |
NSS |
|
|
|
|
Sleeve Adjusting |
1 |
|
Not Sold Seperate |
| 8 |
43-880709A03 |
|
|
|
|
GEAR ASSEMBLY, Forward |
1 |
880709A02 |
|
| 9 |
15-8M0063270 |
|
|
|
|
SHIM SET |
AR |
|
No Longer Available |
| 10 |
31-884323T01 |
|
|
|
|
BEARING ASSEMBLY, Roller |
1 |
|
|
| 11 |
NSS |
|
|
|
|
Cup |
1 |
|
Not Sold Seperate |
| 12 |
53-8M0051043 |
|
|
|
|
RING, Retaining |
1 |
23721 |
|
| 13 |
12-8M0053823 |
|
|
|
|
THRUST WASHER |
1 |
892805 |
|
| 14 |
31-884325T01 |
|
|
|
|
BEARING ASSEMBLY, Roller-Tappered |
1 |
|
|
| 15 |
NSS |
|
|
|
|
Cup |
1 |
|
Not Sold Seperate |
| 16 |
52-880714T |
|
|
|
|
CLUTCH |
1 |
|
|
| 17 |
24-30893 |
|
|
|
|
SPRING |
1 |
|
|
| 18 |
17-828356 |
|
|
700-21104 |
|
PIN, Detent |
1 |
|
|
| 19 |
44-888530 |
|
|
|
|
PROPELLER SHAFT |
1 |
|
No Longer Available |
| 20 |
17-8M0100263 |
|
|
|
|
PIN, Cross |
1 |
30632 |
|
| 21 |
43-880710A02 |
|
|
|
|
GEAR ASSEMBLY, Reverse |
1 |
|
|
| 22 |
880699 |
|
|
|
|
THRUST RING |
1 |
|
|
| 23 |
23-891919001 |
|
|
|
|
SPACER, Thrust |
1 |
|
|
| 24 |
880696A08 |
|
|
|
|
CARRIER ASSEMBLY, Bearing |
1 |
|
|
| 25 |
15-891936A01 |
|
|
|
|
SHIM SET |
AR |
|
|
| 26 |
30-884329T |
|
|
|
|
BEARING, Ball |
1 |
|
|
| 27 |
26-888483 |
|
|
|
|
SEAL, Oil |
1 |
|
|
| 28 |
31-884330T01 |
|
|
|
|
BEARING ASSEMBLY, Tapered |
1 |
|
|
| 29 |
NSS |
|
|
|
|
Cup |
1 |
|
Not Sold Seperate |
| 30 |
26-888483 |
|
|
|
|
SEAL, Oil |
1 |
896600 |
|
| 31 |
25-896524 |
|
|
|
|
O-RING, (3.850 x .210) |
1 |
|
|
| 32 |
10-880717A01 |
|
|
|
|
SCREW/SEAL KIT |
1 |
|
|
| 33 |
26-830749 |
|
|
|
|
SEAL |
1 |
|
|
| 34 |
14-880697 |
|
|
|
|
KEYED WASHER |
1 |
|
|
| 35 |
8M2011027 |
|
|
|
|
RETAINER |
1 |
79448 |
|
| 36 |
896233A01 |
|
|
|
|
DRIVE SLEEVE ASSEMBLY |
1 |
|
|
| 37 |
8M0061986 |
|
|
|
|
ADAPTOR |
1 |
878584Q1 |
|
| 38 |
11-52707T1 |
|
|
|
|
PROP NUT KIT, (.750-16) |
1 |
|
|
| 38 |
11-52707Q1 |
|
|
|
|
PROP NUT KIT, (.750-16) |
1 |
|
|
| - |
26-830749A01 |
|
|
|
|
SEAL KIT, Gear Housing |
1 |
|
|