| Ref. |
OEM Part # |
Hardin # |
Mallory # |
GLM # |
Other # |
Description |
Num Req. |
Superceded From |
Special Notes |
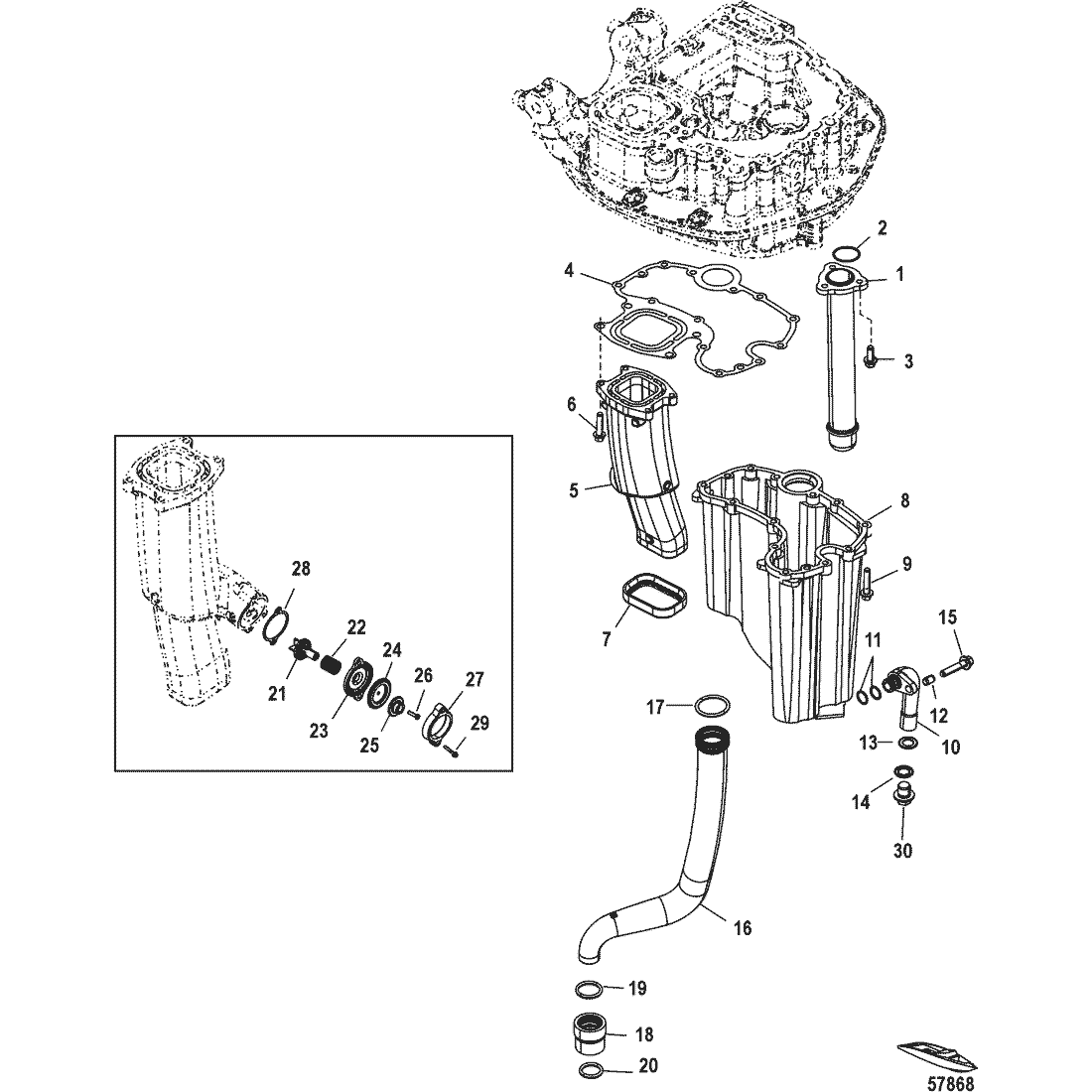
| 1 |
887623T03 |
|
|
|
|
PICKUP ASSEMBLY, Oil |
1 |
|
|
| 2 |
25-8M0092943 |
|
|
|
|
O-RING, Orange |
1 |
|
|
| 3 |
10-88552525 |
|
|
|
|
SCREW, (M6 x 25 MM) Stainless Steel |
3 |
|
|
| 4 |
27-889618001 |
|
|
|
|
GASKET, Oil Sump |
1 |
|
|
| 5 |
8M0080961 |
|
|
|
|
TUBE ASSEMBLY, Exhaust |
1 |
|
|
| 6 |
10-88552635 |
|
|
|
|
SCREW, (M8 x 35 MM) |
4 |
|
|
| 7 |
26-880629 |
|
|
|
|
SEAL, Exhaust Tube |
1 |
|
|
| 8 |
880639T |
|
|
|
|
SUMP ASSEMBLY, Oil |
1 |
|
|
| 9 |
10-88552530 |
|
|
|
|
SCREW, (M6 x 30 MM) Stainless Steel |
12 |
|
|
| 10 |
887753A02 |
|
|
|
|
TUBE ASSEMBLY, Oil Drain |
1 |
|
|
| 10 |
8M0082193 |
|
|
|
|
TUBE ASSEMBLY, Oil Drain |
1 |
|
|
| 11 |
25-892446 |
|
|
|
|
O-RING, (14 X 1.78 MM) |
2 |
|
|
| 12 |
17-892228 |
|
|
|
|
PIN, Dowel |
1 |
|
|
| 13 |
25-8M0079733 |
|
|
|
|
O-RING |
1 |
|
|
| 14 |
26-888593 |
|
|
|
|
SEAL, Drain Plug |
1 |
|
|
| 15 |
10-88552530 |
|
|
|
|
SCREW, (M6 x 30 MM) Stainless Steel |
1 |
|
|
| 16 |
32-885541A01 |
|
|
|
|
TUBE ASSEMBLY, Water (20.00 Inch) |
1 |
|
|
| 16 |
32-885541A02 |
|
|
|
|
TUBE ASSEMBLY, Water (25.00 Inch) |
1 |
|
|
| 16 |
32-885541A03 |
|
|
|
|
TUBE ASSEMBLY, Water (30.00 Inch) |
1 |
|
|
| 17 |
25-892445 |
|
|
|
|
O-RING |
1 |
|
|
| 18 |
22-887987A1 |
|
|
|
|
COUPLING |
1 |
|
|
| 19 |
25-90196 |
|
|
|
|
O-RING, (.921 x .139) |
1 |
|
|
| 20 |
25-21836 |
|
|
|
|
O-RING, (.796 x .139) |
1 |
|
|
| 21 |
888913A01 |
|
|
|
|
POPPET ASSEMBLY |
1 |
|
|
| 22 |
24-64878 |
|
|
|
|
SPRING, (Black) |
1 |
|
|
| 23 |
893385001 |
|
|
|
|
RETAINER |
1 |
|
|
| 24 |
648771 |
|
|
|
|
DIAPHRAGM |
1 |
|
|
| 25 |
889706 |
|
|
|
|
WASHER |
1 |
|
|
| 26 |
10-69570 |
|
|
|
|
SCREW, (#10-16 x .750) |
1 |
|
|
| 27 |
893384001 |
|
|
|
|
COVER, Poppet |
1 |
|
|
| 28 |
27-889561 |
|
|
|
|
GASKET, Poppet |
1 |
|
|
| 29 |
10-88552535 |
|
|
|
|
SCREW, (M6 x 35 MM) Stainless Steel |
2 |
|
|
| 30 |
888592005 |
|
|
|
|
PLUG ASSEMBLY, Oil Drain |
1 |
|
|
| - |
27-880552A07 |
|
|
|
|
GASKET SET, Powerhead |
1 |
|
|
| - |
61-896966A07 |
|
|
|
|
ASSEMBLY, Long Block |
1 |
|
|