135 VERADO 4-STROKE 4 CYL - Serial 1B381712 Thru 1B517158 - SuperCharger
Other Sub-Sections:
- Accessories
- Adaptor Plate Hose Routings
- Adaptor Plate-Lower
- Alternator/Belt Tensioner Mounting
- Charge Cooler/Intake Manifold
- Charge Cooler/Intake Manifold Hose Routings
- Crankshaft, Pistons and Connecting Rods
- Cylinder Block
- Cylinder Head and Camshaft
- Driveshaft Housing
- Electrical Box Components
- Fuel Supply Module
- Gear Housing(Driveshaft)(Standard/Counter Rotation)
- Gear Housing, Propeller Shaft - Counter Rotation
- Gear Housing, Propeller Shaft - Standard Rotation
- Induction Components
- Mercathode Kit
- Oil Pump/Adaptor Plate-Upper
- Port Cylinder Block Components
- Power Trim Components
- Powerhead Gasket Set Components
- Rear Cowl
- Rear Cowl, Latch Assembly
- Shift Components
- Starboard Cylinder Block/Oil Cooler
- Starter Motor
- Steering Cylinder Assembly
- SuperCharger
- Swivel Bracket and Steering Arm
- Tools
- Tools
- Top Cowl
- Transom Brackets
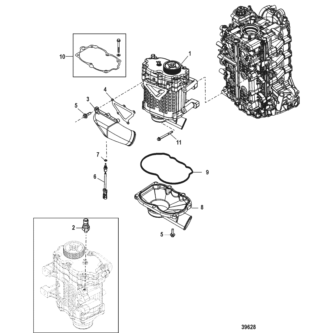
| Ref. | OEM Part # | Hardin # | Mallory # | GLM # | Other # | Description | Num Req. | Superceded From | Special Notes |
| 1 | 8M0104460 | SUPERCHARGER | 1 | 892807T03 | |||||
| 1 | 8M0104460 | SUPERCHARGER | 1 | 892807T03 | |||||
| 1 | 8M0104460 | SUPERCHARGER | 1 | 898094T01 | |||||
| 2 | 8M6000634 | SENSOR, Oil Pressure | 1 | 889659002 | |||||
| 3 | 888947A04 | OUTLET DUCT KIT | 1 | No Longer Available | |||||
| 4 | 27-888947504 | GASKET | 1 | ||||||
| 5 | 10-888947502 | BOLT | 9 | ||||||
| 6 | 885342002 | SENSOR ASSEMBLY | 1 | 885342001 | |||||
| 7 | 25-896699 | O-RING, (.351 x .072) | 1 | 888814 | |||||
| 8 | 888947A05 | DUCT KIT, Inlet | 1 | ||||||
| 9 | 27-888947501 | SEAL | 1 | ||||||
| 10 | 23-847803A02 | BUSHING/GASKET KIT | 1 | ||||||
| - | 8M0045222 | END CAP KIT, Supercharger | 1 | 888947A10 | |||||
| 11 | 10-885527105 | SCREW, (M10 x 105) | 4 |


