6.2L MPI HORIZON MIE - Serial 1A090000 Thru 1A092168 - Water Drain, Air Manifold and Air Pump
Other Sub-Sections:
- Alternator and Brackets
- Closed Cooling System
- Cool Fuel System -Bravo(SN 1A091622 and Below)
- Cool Fuel System -Bravo(SN 1A091623 and Above)
- Cylinder Block, Camshaft and Crankshaft
- Cylinder Block, Flywheel Housing
- Cylinder Head and Rocker Cover
- Distributor and Ignition Components
- Electrical Components, Digital (SN 1A091517 and Below)
- Electrical Components, Digital (SN 1A091518 to 1A091825)
- Electrical Components, Digital (SN 1A091826 and Up)
- Electrical Components, Mechanical (SN 1A091517 and Below)
- Electrical Components, Mechanical (SN 1A091518 to 1A091825)
- Electrical Components, Mechanical (SN 1A091826 and Up)
- Exhaust Manifold and Elbow
- Exhaust Risers
- Front Cover and Circulating Pump
- Fuel Module Components -Bravo(SN 1A091622 and Below)
- Fuel Module Components -Bravo(SN 1A091623 and Above)
- Gasket Set Components (27- 75611A03), Cylinder Head
- Gasket Set Components (27-861246A05), Engine Overhaul
- Intake Manifold and Fuel Rail
- Oil Pan and Oil Pump
- Pistons and Connecting Rods
- Remote Oil Filter
- Sea Water Pump Assembly
- Standard Cooling System
- Starter Motor
- Thermostat and Housing
- Throttle Body, Digital Throttle and Shift
- Throttle Body, Mechanical
- Transmission and Engine Mounting(BORG-WARNER 5000)
- Transmission and Engine Mounting(BORG-WARNER 71C and 72C)
- Transmission and Engine Mounting(HURTH 630)
- Transmission and Related Parts(BORG-WARNER 71C and72C)
- Transmission and Related Parts(Hurth 630 800)
- Transmission(WALTER V-DRIVE)
- Water Distribution Housing
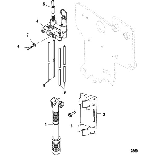
- Water Drain, Air Manifold and Air Pump
| Ref # | Part Class | Part Number | Description | Comments | Qty | Note |
|---|---|---|---|---|---|---|
| 1 | 0000 | OEM: 525-863057 | PUMP Bracket Assembly | 1 | ||
| 2 | 0000 | OEM: 525-8634741 | BRACKET Air Pump | (Bravo Standard Cooling) | 1 | |
| 2 | 0000 | OEM: 525-8634742 | BRACKET Air Pump | (Bravo Closed Cooling) | 1 | |
| 3 | 0010 | OEM: 525-10-40011106 | SCREW (M5 x 13) Stainless Steel | (Bravo Standard Cooling) | 1 | |
| 4 | 0000 | OEM: 525-863053T | MANIFOLD ASSEMBLY Air | 1 | ||
| 5 | 0019 | OEM: 525-19-883503 | CAP Service Point | 1 | ||
| 6 | 0010 | OEM: 525-10-40007112 | SCREW (M5 x 40) | 2 | ||
| 7 | 0012 | OEM: 525-12-4002314 | WASHER | 2 | ||
| 8 | 0032 | 8630552 | HOSE (40.00 Inches Bulk) Green (Cut to 32 Inch Length) | 2 | ||
| 9 | 0032 | 8630542 | HOSE (40.00 Inches Bulk) Grey (Cut to 32 Inch Lenght) | 2 | ||
| NS | 0032 | OEM: 525-32-8630561 | HOSE (42.00 Inches Bulk) Black (Cut to 28 Inch Length) | 2 |


