MX 6.2L MPI HORIZON MIE - Serial 0W390000 Thru 0W689999 - Front Cover and Circulating Pump
Other Sub-Sections:
- Closed Cooling System
- Cylinder Block, Camshaft and Crankshaft
- Cylinder Block, Flywheel Housing
- Cylinder Head and Rocker Cover
- Distributor and Ignition Components
- Electrical Components(Digital Throttle and Shift)
- Electrical Components(Mechanical Throttle and Shift)
- Exhaust Manifold and Elbow
- Exhaust Risers
- Front Cover and Circulating Pump
- Fuel Supply Module
- Gasket Set Components (27-861246A05), Engine Overhaul
- Intake Manifold and Fuel Rail
- Oil Pan and Oil Pump
- Pistons and Connecting Rods
- Remote Oil Filter
- Sea Water Pump Assembly
- Standard Cooling System
- Starter Motor
- Thermostat and Housing
- Throttle Body(Digital Throttle and Shift)
- Throttle Body(Mechanical)
- Transmission and Engine Mounting(BORG-WARNER 5000)
- Transmission and Engine Mounting(BORG-WARNER 71C and 72C)
- Transmission and Engine Mounting(HURTH 630)
- Transmission and Related Parts(BORG-WARNER 5000)
- Transmission and Related Parts(BORG-WARNER 71C and72C)
- Transmission and Related Parts(Hurth 630 800)
- Transmission(WALTER V-DRIVE)
- Water Distribution Housing
- Water Drain, Air Manifold and Air Pump
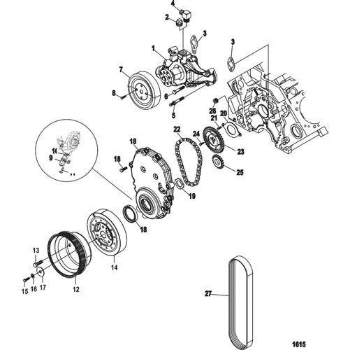
Ref. | OEM Part # | Hardin # | Mallory # | GLM # | Other # | Description | Num Req. | Superceded From | Special Notes |
1 | 8503991 | PUMP ASSEMBLY, Water, Water | 1 | ||||||
2 | 22-428611 | PLUG, Pipe | 1 | ||||||
3 | 27-34897 | GASKET, Water Pump | 2 | ||||||
4 | 22-860346 | FITTING, Elbow (90 Degree) (.750) | 1 | ||||||
5 | 16-8M0076418 | STUD, (.312-24/.375-16 x 2.5625) | 2 | 35342 | |||||
6 | 10-32132 | SCREW, (.375-16 x 1.750) | 1 | ||||||
6 | 10-47688 | SCREW, (.375-16 x 2.750) | 1 | ||||||
7 | 807729T | PULLEY, Water Pump | 1 | ||||||
7 | 865047T | PULLEY, Water Pump | 1 | ||||||
8 | 10-47277 | SCREW, (.312-24 x .750) | 4 | 10-34551, 10-20705 | |||||
9 | 864297T01 | SENSOR ASSEMBLY, Crankshaft Position | 1 | 864297001 | |||||
10 | 25-885192 | O-RING | 1 | ||||||
11 | 10-884018001 | SCREW | 1 | ||||||
12 | 807730T | PULLEY, Crankshaft | 1 | ||||||
13 | 10-34352 | SCREW, (.375-24 x .875) | 3 | ||||||
14 | 863397 | HARMONIC BALANCER | 1 | ||||||
15 | 10-8M2021674 | SCREW, (.437-20 x 2.50) | 1 | 32515 | |||||
16 | 13-39131 | LOCKWASHER, (.437) | 1 | ||||||
17 | 12-71458 | WASHER | 1 | ||||||
18 | 863396001 | TIMING COVER ASSEMBLY | 1 | ||||||
19 | 863398 | RELUCTOR WHEEL | 1 | ||||||
20 | 845941 | RETAINER, Camshaft | 1 | ||||||
21 | 10-845943 | SCREW, (.250-20 x .500) | 2 | ||||||
22 | 17161T | CHAIN, Timing | 1 | ||||||
23 | 43-8116591 | SPROCKET, Camshaft | 1 | ||||||
24 | 10-845942 | SCREW, (.312-18 x .750) | 3 | ||||||
25 | 43-17160 | SPROCKET, Crankshaft | 1 | ||||||
26 | 19-816565 | PLUG, Cup (.468) | 1 | ||||||
27 | 57-865615Q05 | BELT, Serpentine, Standard Cooling | 1 | ||||||
27 | 57-865615Q10 | BELT, Serpentine | 1 | ||||||
- | 27-861246A05 | GASKET SET, Engine Overhaul | 1 |