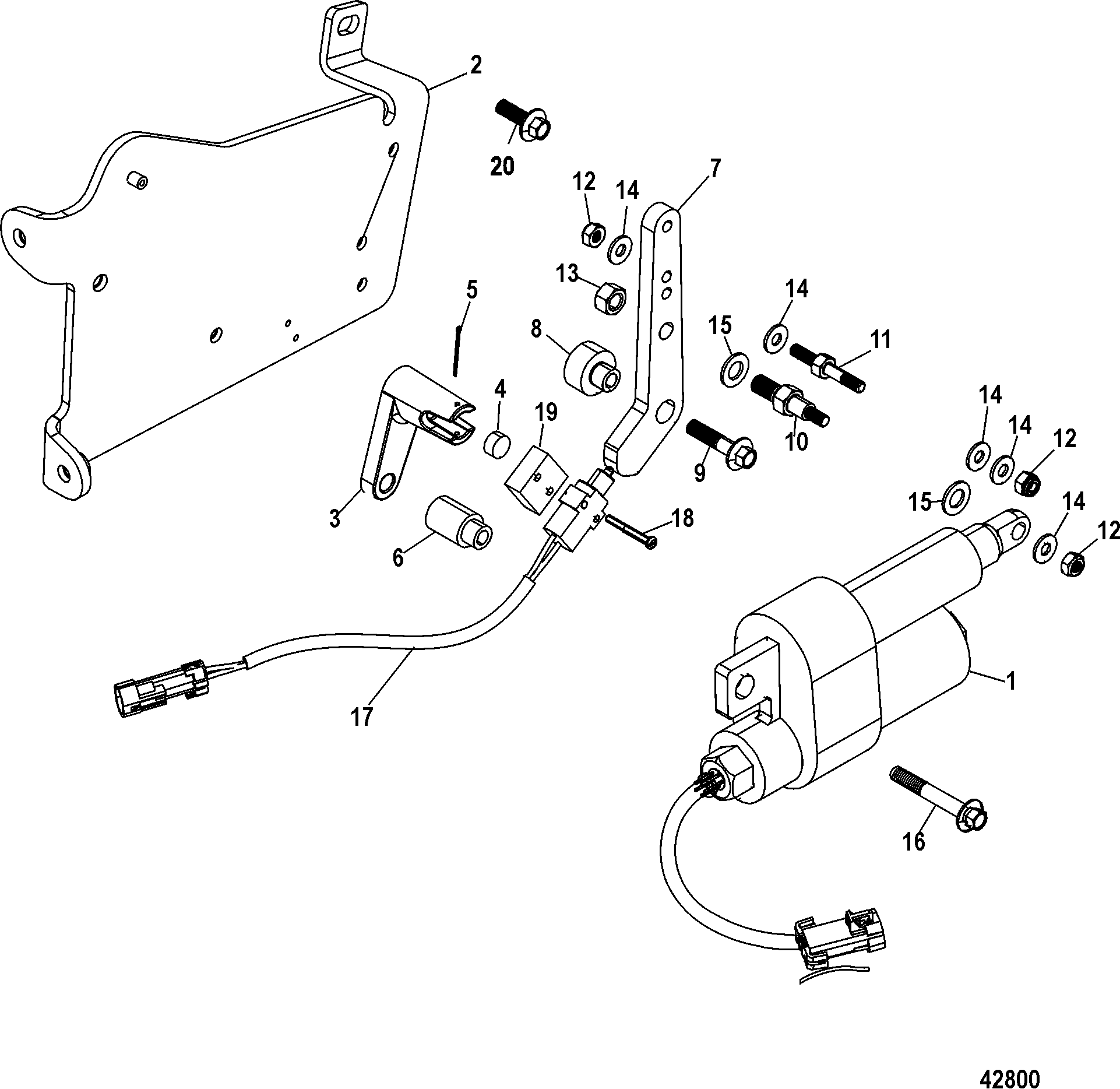
8.2L Mag (Base or HO) - Serial 1A351597 and Up - Shift Bracket, Digital Throttle And Shift
Other Sub-Sections:
- Alternator
- Cool Fuel System
- Cooling System, Fresh Water Components
- Cooling System, Raw Water Components, Port
- Cooling System, Raw Water Components, Starboard
- Crankshaft, Piston, Connecting Rods
- Cylinder Block And Camshaft
- Cylinder Head
- Drain Fitting Assembly
- Drive Lube Reservoir Assembly
- Electrical Components
- Engine Mounts
- Exhaust Manifold, Elbow And Riser
- Exhaust System Components
- Flywheel Housing
- Fuel Module Components -Bravo
- Gasket Set, Overhaul
- Intake Manifold
- Jackshaft Main Kit
- Oil Pan And Oil Pump
- Remote Oil System
- Seawater Pump
- Shift Bracket, Digital Throttle And Shift
- Shift Bracket, Mechanical
- Starter Motor
- Steering Components
- Throttle Body, Digital Throttle-Shift
- Throttle Body, Mechanical Throttle-Shift
- Throttle Lever Assembly, Mechanical Throttle-Shift
- Trim Pump And Motor Components
- Trim Pump Assembly
- Water Drain System
- Water Pump And Front Cover
- Wiring Harness And Lifting Brackets
| Ref. | OEM Part # | Hardin # | Mallory # | GLM # | Other # | Description | Num Req. | Superceded From | Special Notes |
| - | 8M0045725 | SHIFT ACTUATOR ASSEMBLY, Complete | 1 | ||||||
| 1 | 879194T46 | SHIFT ACTUATOR | 1 | ||||||
| 2 | 8M0045249 | BRACKET, Shift Plate | 1 | ||||||
| 3 | 864616 | RETAINER, Shift Cable | 1 | ||||||
| 4 | 23-98828 | SPACER | 1 | ||||||
| 5 | 18-36002 | COTTER PIN | 1 | ||||||
| 6 | 23-863133 | SPACER, Actuator | 1 | ||||||
| 7 | 8631341 | LEVER, Shift Arm | 1 | ||||||
| 8 | 23-863132 | SPACER, Shift Arm | 1 | ||||||
| 9 | 10-4010735 | SCREW, (M8 x 35) | 1 | ||||||
| 10 | 16-864361 | STUD | 1 | ||||||
| 11 | 16-96112 | STUD, (.250-28 x 2.00), Throttle Cable Anchor | 1 | ||||||
| 12 | 11-826709109 | NUT, (.250-28) Stainless Steel | 3 | ||||||
| 13 | 11-46335 | NUT, (.375-24) | 1 | ||||||
| 14 | 12-35462 | WASHER, (.2656 x .625 x .0625) Stainless Steel | 5 | ||||||
| 15 | 12-34931 | WASHER, (.406 x .734 x .063) Stainless Steel | 2 | ||||||
| 16 | 10-40011155 | SCREW, (M8 x 55) Stainless Steel | 1 | ||||||
| 17 | 87-8M0052939 | SWITCH | 1 | 87-889514A01 | |||||
| 18 | 10-865076 | SCREW, (6-32 x 1.25) | 2 | ||||||
| 19 | 23-864386 | SPACER, Switch | 1 | ||||||
| 20 | 10-817505 | SCREW, (.250-20 x .620) Stainless Steel | 3 |


