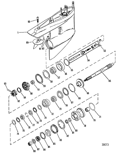
| Ref. |
OEM Part # |
Hardin # |
Mallory # |
GLM # |
Other # |
Description |
Num Req. |
Superceded From |
Special Notes |
| -- |
1623-8951A33 |
|
|
|
|
GEAR HOUSING ASSEMBLY, COMPLETE |
1 |
1623-8951A26 |
|
| 1 |
1623-8951A39 |
|
|
|
|
GEAR HOUSING ASSEMBLY |
1 |
|
|
| 53 |
76865 |
|
|
|
|
CRANK, Shift |
1 |
|
|
| 54 |
818349T1 |
|
|
|
|
SHIFT SPOOL KIT |
1 |
19755A2 |
24 |
| 55 |
15-47397A1 |
|
|
700-23220 |
|
SHIM SET, BEARING OUTER RACE |
AR |
|
18,24 |
| 56 |
815362T1 |
|
|
|
|
ADAPTOR ASSEMBLY, Bearing, REVERSE GEAR |
1 |
815362A1 |
|
| 56 |
828830A2 |
|
|
|
|
ADAPTOR ASSEMBLY, Bearing (Used In Generation II Service Replacement Gear Housings.) |
1 |
|
|
| 57 |
31-814653T |
|
|
|
|
BEARING ASSEMBLY, Needle Rollers |
1 |
31-814653 |
18,24 |
| 58 |
12-815481 |
|
|
|
|
THRUST WASHER |
1 |
|
|
| 59 |
31-815480 |
|
|
|
|
BEARING, Thrust |
1 |
|
18,24 |
| 60 |
43-824700T1 |
|
|
|
|
GEAR ASSEMBLY, Reverse |
1 |
43-815819A1 |
This Part is No Longer Available 24 |
| 61 |
31-815482 |
|
|
|
|
BEARING, Roller |
1 |
|
18,24 |
| 62 |
52-853594T |
|
|
|
|
CLUTCH, SLIDING |
1 |
52-66063 |
24 |
| 63 |
17-30632 |
|
676-9-78111 |
700-21131 |
|
PIN, Cross, CLUTCH TO PROPELLER SHAFT |
1 |
|
No longer made, limited availability |
| 64 |
24-30893 |
|
676-9-78135 |
700-11050 |
|
SPRING, REATINER - CROSS PIN |
1 |
|
|
| 65 |
44-8146061 |
|
|
|
|
PROPELLER SHAFT |
1 |
|
|
| 65 |
44-824111 |
|
|
|
|
PROPELLER SHAFT (Used In Generation II Service Replacement Gear Housings.) |
1 |
|
|
| 66 |
43-828071A1 |
|
|
|
|
GEAR SET (INCLUDES FORWARD AND PINION GEARS) |
1 |
43-812975A5 |
|
| 67 |
31-15841 |
|
|
|
|
BEARING, Roller |
1 |
|
18,24 |
| 69 |
23-1761514 |
|
|
|
|
SPACER SHIM , (.206) |
AR |
|
|
| 69 |
23-1761515 |
|
|
|
|
SPACER SHIM , (.208) |
AR |
|
|
| 69 |
23-1761516 |
|
|
|
|
SPACER SHIM, (.210) |
AR |
|
|
| 69 |
23-1761517 |
|
|
|
|
SPACER SHIM, (.212) |
AR |
|
|
| 69 |
23-1761518 |
|
|
|
|
SPACER SHIM, (.214) |
AR |
|
|
| 69 |
23-1761519 |
|
|
|
|
SPACER SHIM, (.216) |
AR |
|
|
| 69 |
23-1761520 |
|
|
|
|
SPACER SHIM, (.218) |
AR |
|
|
| 69 |
23-1761521 |
|
|
|
|
SPACER SHIM, (.220) |
AR |
|
|
| 69 |
23-1761522 |
|
|
|
|
SPACER SHIM, (.222) |
AR |
|
|
| 69 |
23-1761523 |
|
|
|
|
SPACER SHIM, (.224) |
AR |
|
|
| 69 |
23-1761526 |
|
|
|
|
SPACER SHIM, (.230) |
AR |
|
|
| 69 |
23-1761525 |
|
|
|
|
SPACER SHIM, (.228) |
AR |
|
|
| 69 |
23-1761526 |
|
|
|
|
SPACER SHIM, (.230) |
AR |
|
|
| 70 |
12-17616 |
|
|
|
|
THRUST RING |
1 |
|
|
| 70 |
12-815481 |
|
|
|
|
THRUST WASHER (Used In Generation II Service Replacement Gear Housings.) |
1 |
|
|
| 71 |
25-31534 |
|
|
|
|
O-RING, BEARING CARRIER |
1 |
|
18,24,3 |
| 72 |
814604T1 |
|
|
|
|
ADAPTOR ASSEMBLY, Bearing |
1 |
814604A1 |
This Part is No Longer Available |
| 72 |
828831A3 |
|
|
|
|
ADAPTOR ASSEMBLY, Bearing (Used In Generation II Service Replacement Gear Housings.) |
1 |
|
|
| 73 |
31-814653T |
|
|
|
|
BEARING ASSEMBLY, Needle Rollers |
1 |
31-814653 |
18,24 |
| 74 |
12-18448 |
|
|
|
|
THRUST WASHER |
2 |
|
|
| 75 |
31-15842 |
|
|
|
|
BEARING, Thrust |
2 |
|
18,24 |
| 76 |
815570 |
|
|
|
|
THRUST RACE |
2 |
|
This Part is No Longer Available |
| 77 |
814605 |
|
|
|
|
KEEPER |
2 |
|
|
| 78 |
14587A7 |
|
|
|
|
CARRIER ASSEMBLY, Bearing |
1 |
14587A5 |
|
| 78 |
818290A6 |
|
|
|
|
CARRIER ASSEMBLY, Bearing (Used In Generation II Service Replacement Gear Housings.) |
1 |
|
|
| 79 |
31-30956T |
|
|
|
|
BEARING, Needle, BEARING CARRIER |
1 |
31-30956 |
18,24 |
| 80 |
26-14077 |
|
|
|
|
SEAL, Oil (INSIDE) |
1 |
|
|
| 81 |
26-12224 |
|
|
|
|
SEAL, Oil (OUTSIDE) |
1 |
|
18,24,3 |
| 82 |
14-18323 |
|
|
|
|
TAB WASHER, GEAR HOUSING COVER |
1 |
|
18,24 |
| 83 |
8M2011027 |
|
|
|
|
RETAINER, GEAR HOUSING |
1 |
79448 |
|
| 84 |
13-423511 |
|
|
|
|
LOCKWASHER, Toothed, PROPELLER SHAFT |
1 |
|
|
| 85 |
12-835467Q01 |
|
|
700-21301 |
|
THRUST HUB (FOR USE W/ BLACK MAX PROPELLERS) |
1 |
13171 |
|
| 85 |
56292Q04 |
|
|
|
|
THRUST HUB AND WASHER ASSEMBLY (FOR USE W/M/C I PROPELLERS) |
1 |
56292A2 |
|
| 86 |
12-31211Q03 |
|
|
|
|
WASHER, Splined, PROPELLER SHAFT |
1 |
12-31211A2 |
|
| 87 |
14-816629Q |
|
|
700-21200 |
|
TAB WASHER, PROPELLER NUT |
1 |
14-31210 |
|
| 88 |
11-52707Q1 |
|
|
|
|
PROP NUT KIT, (.750-16), PROPELLER |
1 |
11-52707A1 |
|
| 89 |
31640Q4 |
|
|
|
|
TRIM TAB ASSEMBLY, GEAR HOUSING (2-3/8 inch) |
1 |
31640A1 |
|
| 89 |
34127T2 |
|
|
|
|
TRIM TAB ASSEMBLY, GEAR HOUSING (4 inch) |
OPT |
34127A1 |
THIS TRIM TAB CANNOT BE USED WITH BLACK MAX PROPELLERS |
| 90 |
10-32470 |
|
|
|
|
SCREW, (.437-14 x 1.75), TRIM TAB TO GEAR HOUSING |
1 |
|
|
| 91 |
10-30206 |
|
|
|
|
SCREW, (.375-16 x 1.00) Stainless Steel, GEAR HOUSING TO DRIVE SHAFT HOUSING |
1 |
|
|
| 92 |
11-859116 |
|
|
|
|
NUT, (.4375-20), DRIVE SHAFT HOUSING STUD |
2 |
11-134391 |
|
| - |
31-803092T1 |
|
|
|
|
BEARING AND SEAL KIT |
1 |
|
This Part is No Longer Available |
| - |
43-803093T1 |
|
|
|
|
GEAR KIT, Lower |
1 |
|
|