| Ref. |
OEM Part # |
Hardin # |
Mallory # |
GLM # |
Other # |
Description |
Num Req. |
Superceded From |
Special Notes |
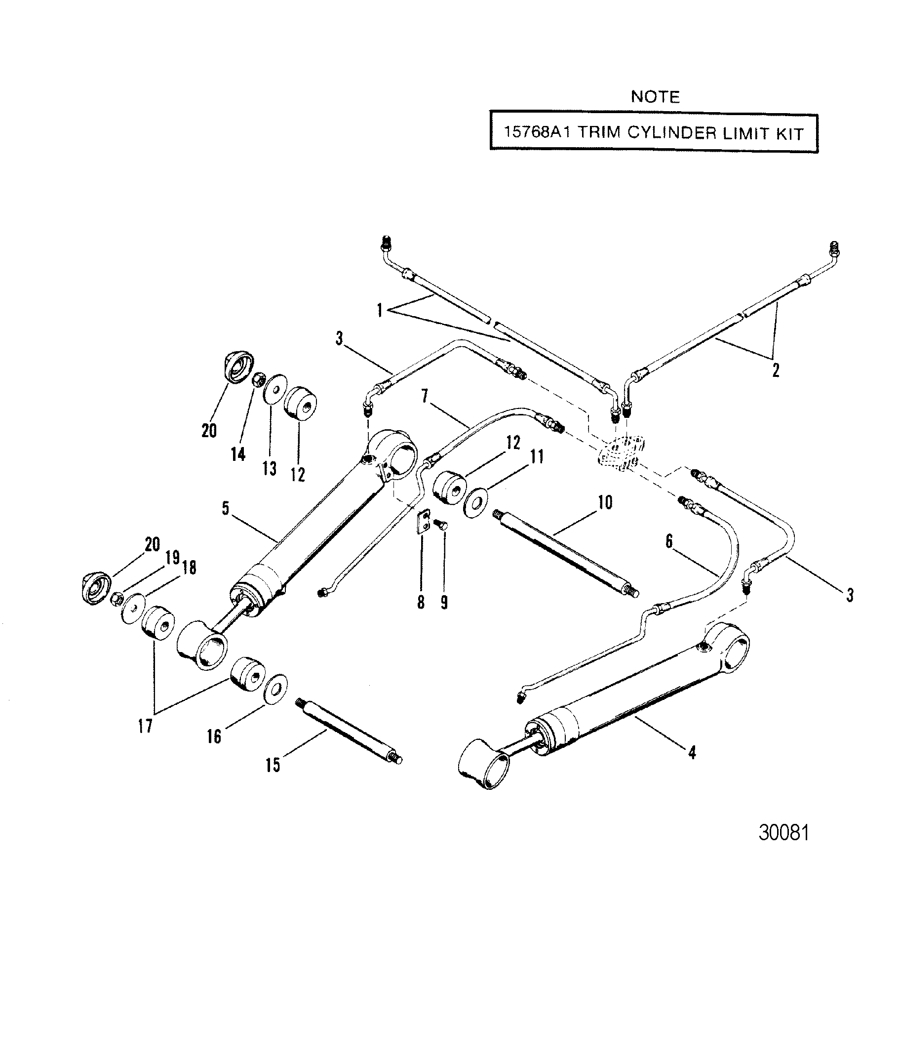
| 1 |
32-861127 |
|
676-9-71516 |
|
|
HOSE, Black, HYDRAULIC - CONNECTOR TO PUMP (BLACK) |
1 |
|
|
| 2 |
32-861128 |
|
676-9-71512 |
|
|
HOSE, Gray, HYDRAULIC - CONNECTOR TO PUMP (GRAY) |
1 |
|
|
| 3 |
32-99904Q |
|
|
|
|
HOSE, HYDRAULIC - TRIM CYLINDER TO CONNECTOR |
2 |
32-99904 |
|
| 4 |
98704A3 |
|
|
700-26400 |
|
TRIM CYLINDER ASSEMBLY (STARBOARD) |
1 |
|
SEE DRIVE UNIT CHART REF.# 1-10 |
| 4 |
14034A3 |
|
|
700-26500 |
|
TRIM CYLINDER ASSEMBLY (STARBOARD) (BLACK) |
1 |
|
SEE DRIVE UNIT CHART REF.# 1-11 |
| 5 |
98703A3 |
|
|
700-26410 |
|
TRIM CYLINDER (PORT) |
1 |
|
SEE DRIVE UNIT CHART REF.# 1-11 |
| 5 |
14035A3 |
|
|
700-26510 |
|
TRIM CYLINDER ASSEMBLY (PORT) (BLACK) |
1 |
|
SEE DRIVE UNIT CHART REF.# 1-11 |
| -- |
87399A2 |
|
|
700-26380 |
|
OVERHAUL KIT, TRIM CYLINDER |
2 |
|
|
| -- |
25-87400A2 |
|
|
700-87400 |
|
SEAL KIT, TRIM CYLINDER |
2 |
|
|
| 6 |
32-864589 |
|
|
|
|
HOSE, Trim Cylinder (STARBOARD) |
1 |
32-99902 |
SEE DRIVE UNIT CHART REF.# 1-11 |
| 6 |
32-864960 |
|
676-9-71508 |
|
|
HOSE, Trim Cylinder (STARBOARD) |
1 |
32-999021 |
SEE DRIVE UNIT CHART REF.# 1-11 |
| 7 |
32-864588 |
|
676-9-71515 |
|
|
HOSE, Trim Cylinder (PORT) |
1 |
32-99903 |
SEE DRIVE UNIT CHART REF.# 1-11 |
| 7 |
32-864959 |
|
676-9-71509 |
|
|
HOSE, Trim Cylinder (PORT) |
1 |
32-999031 |
SEE DRIVE UNIT CHART REF.# 1-11 |
| 8 |
85060 |
|
|
|
|
PLATE, CLAMPING - TRIM CYLINER HOSE |
2 |
|
|
| 9 |
10-85486 |
|
|
|
|
SCREW, (.250-20 x .380) Stainless Steel, CLAMPING PLATE |
4 |
|
|
| 10 |
17-14873A1 |
|
|
700-21410 |
|
PIN ASSEMBLY, FRONT ACNHOR |
1 |
|
|
| 11 |
12-85058 |
|
|
700-21660 |
|
WASHER, FRONT PIN |
2 |
|
|
| 12 |
23-99291T |
|
676-9-77000 |
700-26330 |
|
BUSHING, RUBBER |
4 |
|
|
| 13 |
12-85057 |
|
|
|
|
WASHER, FRONT PIN 3/8-24 THREADS |
2 |
|
|
| 13 |
12-44163 |
|
|
700-21670 |
|
WASHER, (.450 x 1.75 x .12), FRONT PIN |
2 |
|
|
| 14 |
11-862903 |
|
|
|
|
NUT, (.375-24), FRONT PIN |
2 |
|
|
| 14 |
11-859116 |
|
|
|
|
NUT, (.437-20), FRONT PIN |
2 |
|
|
| 15 |
17-14872A1 |
|
|
700-21400 |
|
PIN, REAR ANCHOR 3/8-24 THREADS |
1 |
17-99207 |
|
| 15 |
17-14872A1 |
|
|
700-21400 |
|
PIN ASSEMBLY, REAR ANCHOR 7/16-20 THREADS |
1 |
|
|
| 16 |
12-8505812-85058 |
|
|
700-21660 |
|
WASHER, REAR PIN 3/8-24 THREADS |
2 |
|
|
<12-85058 |
| 16 |
12-85058 |
|
|
700-21660 |
|
WASHER, REAR PIN 7/16-20 THREADS |
2 |
|
|
| 17 |
23-99291T |
|
676-9-77000 |
700-26330 |
|
BUSHING, RUBBER |
4 |
|
|
| 18 |
12-85057 |
|
|
|
|
WASHER, REAR PIN 3/8-24 THREADS |
2 |
|
|
| 18 |
12-44163 |
|
|
|
|
WASHER, (.450 x 1.75 x .12), REAR PIN |
2 |
|
|
| 19 |
11-862903 |
|
|
|
|
NUT, (.375-24), REAR PIN |
2 |
|
|
| 19 |
11-859116 |
|
|
|
|
NUT, (.437-20), REAR PIN |
2 |
|
|
| 20 |
19-14842 |
|
676-9-77200 |
700-26480 |
|
CAP, FRONT PIN 7/16-20 THREADS (BLACK) |
2 |
|
|
| 20 |
19-14842 |
|
676-9-77200 |
700-26480 |
|
CAP, REAR PIN 7/16-20 THREADS (BLACK) |
2 |
|
|