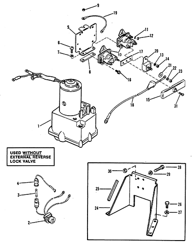
| Ref. |
OEM Part # |
Hardin # |
Mallory # |
GLM # |
Other # |
Description |
Num Req. |
Superceded From |
Special Notes |
| 1 |
865380A25 |
|
|
|
|
HYDRAULIC PUMP ASSEMBLY (PLASTIC RESERVOIR) |
1 |
96477A3 |
|
| 2 |
84-79147A3 |
|
|
|
|
CONNECTOR AND HARNESS |
1 |
|
|
| 3 |
88-79091 |
|
|
|
|
FUSE (20 AMP.) |
1 |
|
|
| 4 |
84-95084A2 |
|
|
|
|
WIRE, FUSE |
1 |
|
|
| 5 |
94279 |
|
|
|
|
BRACKET, MOUNTING - STARTER SOLENOID |
1 |
|
This Part is No Longer Available |
| 6 |
10-48060 |
|
|
|
|
SCREW, MOUNTING BRACKET TO HYDRAULIC PUMP |
2 |
10-42710 |
This Part is No Longer Available |
| 7 |
13-26992 |
|
|
|
|
LOCKWASHER, MOUNTING BRACKET SCREW |
2 |
|
|
| 8 |
23-96784 |
|
|
|
|
SPACER, MOUNTING BRACKET SCREW |
1 |
|
This Part is No Longer Available |
| 9 |
11-24656 |
|
|
|
|
NUT, MOUNTING BRACKET TO HYDRAULIC PUMP THRU BOLT |
1 |
|
This Part is No Longer Available |
| 10 |
89-96158T |
|
|
|
|
TRIM MOTOR SOLENOID |
2 |
89-96158 |
|
| 11 |
13-26995 |
|
|
|
|
LOCKWASHER, SOLENOID TERMINAL (#8) |
4 |
|
|
| 12 |
11-26419 |
|
|
|
|
NUT, SOLENOID TERMINAL (8-32) |
4 |
|
|
| 13 |
13-26992 |
|
|
|
|
LOCKWASHER, SOLENOID TERMINAL (1/4) |
4 |
|
|
| 14 |
11-94330 |
|
|
|
|
NUT, SOLENOID TERMINAL (1/4-20) |
4 |
|
|
| 15 |
85-861680 |
|
|
|
|
BOOT, STARTER SOLENOID TERMINAL |
1 |
85-96535 |
|
| 16 |
10-41508 |
|
|
|
|
SCREW, STARTER SOLENOID TO MOUNTING BRACKET |
4 |
|
|
| 17 |
94275 |
|
|
|
|
LINK, SOLENOID TO SOLENOID |
1 |
|
|
| 18 |
84-79139A12 |
|
|
|
|
BATTERY LEAD (POSITIVE) |
1 |
|
|
| 18 |
84-79138A1 |
|
|
|
|
BATTERY LEAD (NEGATIVE) |
1 |
|
This Part is No Longer Available |
| 19 |
84-86322A15 |
|
|
|
|
WIRE, STARTER SOLENOID (BLACK) |
2 |
|
|
| 20 |
79023T10 |
|
|
|
|
FUSE ASSEMBLY (110 AMP.) |
1 |
88-79023A10 |
|
| 21 |
12-96457 |
|
|
|
|
WASHER, FUSE TERMINAL |
1 |
|
|
| 22 |
13-26992 |
|
|
|
|
LOCKWASHER, FUSE TERMINAL |
1 |
|
|
| 23 |
11-21825 |
|
|
|
|
NUT, FUSE TERMINAL (1/4-28) |
1 |
|
|
| 24 |
862548A1 |
|
|
|
|
BRACKET ASS'Y, MTG. - HYD. PUMP (FLOOR MOUNTED) |
1 |
88893A4 |
|
| 25 |
58491 |
|
|
|
|
BUMPER, RUBBER - PUMP MOUNTING BRACKET |
2 |
|
|
| 26 |
10-59784 |
|
|
|
|
SCREW, PUMP MOUNTING BRACKET ATTACHING (1") |
6 |
|
|
| 27 |
12-29245 |
|
|
|
|
WASHER, PUMP MOUNTING BRACEKT SCREW |
6 |
|
|
| 28 |
10-35386 |
|
|
|
|
SCREW, HYDRAULIC PUMP TO MOUNTING BRACKET |
4 |
|
|
| 29 |
13-39107 |
|
|
700-21496 |
|
LOCKWASHER, HYDRAULIC PUMP SCREW |
4 |
|
|
| 30 |
11-21908 |
|
|
|
|
NUT, HYDRAULIC PUMP SCREW |
4 |
|
|