| Ref. |
OEM Part # |
Hardin # |
Mallory # |
GLM # |
Other # |
Description |
Num Req. |
Superceded From |
Special Notes |
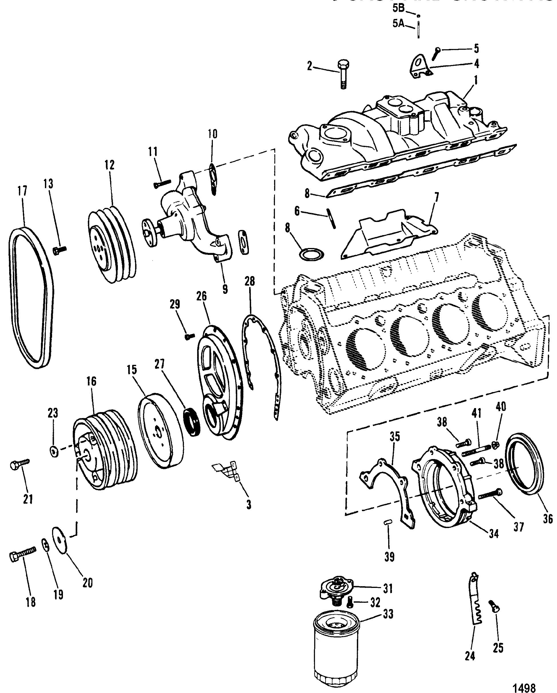
| 1 |
17618T |
|
|
|
|
MANIFOLD, Intake |
1 |
17618 |
This Part is No Longer Available (4 BARREL) |
| 1 |
17619 |
|
|
|
|
MANIFOLD, Intake |
1 |
|
This Part is No Longer Available (2 BARREL) |
| 1 |
17620 |
|
|
|
|
MANIFOLD, Intake |
1 |
|
This Part is No Longer Available (4 BARREL - HI-RISE) |
| 2 |
10-806681 |
|
|
|
|
SCREW, (.375-16 x .875) |
9 |
|
|
| 2 |
10-802655 |
|
|
|
|
BOLT (3/8-16 X 1-1/4 IN.) |
3 |
10-11975 |
|
| 3 |
75435A1 |
|
|
|
|
POINTER |
1 |
|
|
| 4 |
54-47512 |
|
|
|
|
LIFTING EYE |
1 |
|
|
| 5 |
10-34354 |
|
|
700-22447 |
|
SCREW, (.375-16 x 1.50) |
2 |
|
|
| 5A |
16-806250 |
|
|
|
|
STUD |
2 |
|
|
| 5B |
11-32219 |
|
|
|
|
NUT, (.375-16) |
2 |
|
|
| 6 |
N.S.S. |
|
|
|
|
Not Sold Separate, STUD (GM#3959544) |
4 |
|
2 |
| 7 |
72647 |
|
|
|
|
GUARD |
1 |
|
This Part is No Longer Available |
| 8 |
27-17145 |
|
676-9-61200 |
700-30860 |
|
GASKET SET |
1 |
|
(Use RTV Silicone Sealant for end gasket - See Service Manual) 4 |
| 9 |
8503991 |
|
|
|
|
PUMP ASSEMBLY, Water |
1 |
17437 |
|
| 10 |
27-34897 |
|
676-9-60065 |
700-31380 |
|
GASKET |
2 |
|
4 |
| 11 |
10-32132 |
|
|
|
|
SCREW, (.375-16 x 1.750) |
2 |
|
|
| 11 |
10-47688 |
|
|
|
|
SCREW, (.375-16 x 2.750) |
1 |
|
|
| 11 |
10-52200 |
|
|
|
|
SCREW, (1.625 In.) (1-1/2 IN.) |
1 |
|
No longer made, limited availability |
| 12 |
15120T |
|
|
|
|
PULLEY, (5.5 In. Diameter) (5-1/2 IN. DIA.) |
1 |
|
This Part is No Longer Available |
| 12 |
19692T01 |
|
|
|
|
PULLEY, (7 In. Diameter) (7 IN. DIA.) |
1 |
19692T |
|
| 13 |
10-47277 |
|
|
|
|
SCREW, (.312-24 x .750) |
4 |
|
|
| 15 |
75420 |
|
|
|
|
BALANCER |
1 |
|
|
| 16 |
90081A1 |
|
|
|
|
PULLEY |
1 |
|
(See Note) |
| 17 |
57-93658Q |
|
|
|
|
BELT, (44 Inch) |
1 |
57-49213A1 |
(44 IN. - USE WITH 5-1/2 IN. DIA. REF. #12) |
| 17 |
57-48120Q1 |
|
|
|
|
V BELT, (46 Inch) |
1 |
57-48120A1 |
(46 IN. - USE WITH 7 IN. DIA. REF. #12) |
| 18 |
10-32515 |
|
|
|
|
SCREW, (.437-20 x 2.50) |
1 |
|
|
| 19 |
13-39131 |
|
|
|
|
LOCKWASHER, (.437) |
1 |
|
|
| 20 |
35332001 |
|
|
|
|
WASHER |
1 |
12-35332 |
|
| 21 |
10-53833 |
|
|
|
|
BOLT, (.375-24 x 2.00) |
3 |
|
|
| 23 |
|
|
|
|
WASHER |
3 |
|
|
| 24 |
35365 |
|
|
|
|
SUPPORT |
2 |
|
This Part is No Longer Available USE WHERE APPLICABLE |
| 25 |
10-35366 |
|
|
|
|
SCREW, (.250-20 x .563) |
2 |
|
USE WHERE APPLICABLE |
| 26 |
14249A2 |
|
|
|
|
COVER |
1 |
|
|
| 27 |
26-97335 |
|
676-9-61610 |
|
|
SEAL, Oil |
1 |
|
4 |
| 28 |
27-14250 |
|
676-9-61600 |
700-30530 |
|
GASKET |
1 |
|
4 |
| 29 |
10-35366 |
|
|
|
|
SCREW, (.250-20 x .563) |
10 |
|
|
| 31 |
71920 |
|
|
|
|
VALVE ASSEMBLY, Filter |
1 |
53338 |
W/O REMOTE OIL FILTER |
| 32 |
10-54786 |
|
|
|
|
SCREW, (.312-18 x 1.250) |
2 |
|
W/O REMOTE OIL FILTER |
| 33 |
35-866340Q03 |
|
676-9-57825 |
|
|
FILTER, Oil |
1 |
14957 |
W/O REMOTE OIL FILTER |
| 34 |
14239 |
|
|
|
|
RETAINER, Oil Seal (REAR) |
1 |
|
|
| 35 |
27-881715 |
|
676-9-61511 |
|
|
GASKET |
1 |
27-14241 |
4 |
| 36 |
26-14240 |
|
|
700-85790 |
|
SEAL, Oil (REAR) |
1 |
|
4 |
| 37 |
10-8M0064241 |
|
|
|
|
BOLT, (.250-20 x 1.750) |
1 |
10-14243 |
|
| 38 |
10-14242 |
|
|
|
|
BOLT, (.250-20 x .875) |
2 |
|
|
| 39 |
17-14263 |
|
|
|
|
PIN, Dowel |
1 |
|
|
| 40 |
11-11996 |
|
|
|
|
NUT |
1 |
|
|
| 41 |
16-14827 |
|
|
|
|
STUD, (.250-20 x 2.180) |
1 |
|
|
| 42 |
10-49011 |
|
|
|
|
SET SCREW, (.312-18 x .312) |
4 |
|
This Part is No Longer Available |