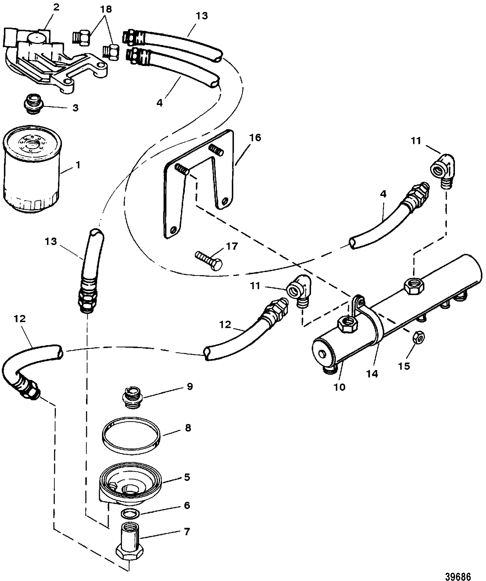
454 EFI (Gen 5) GM V-8 1994-1996 - Serial 0F115700 Thru 0F802349 - Oil Filter And Adaptor (502) (F114528 and Below)
Other Sub-Sections:
- Alternator (Mando)
- Alternator (Prestolite)
- Audio Warning System
- Crankshaft, Pistons And Connecting Rods
- Cylinder Block And Camshaft
- Cylinder Head And Rocker Cover
- Distributor And Ignition Components
- Electrical Box And Components
- Engine Mounting
- Exhaust Manifold And Exhaust Elbow
- Exhaust Plate
- Flywheel Housing
- Fuel Pump And Fuel Filter
- Intake Manifold And Intake Plenum
- Oil Filter And Adaptor (454)
- Oil Filter And Adaptor (502) (F114528 and Below)
- Oil Filter And Adaptor (502) (F114529 and Up)
- Oil Pan And Oil Pump
- Power Steering Components
- Sea Water Pump
- Senders And Harness Bracket
- Shift Bracket
- Starter Motor And Alternator
- Starter Motor(3-1-2" Diameter End Cap)
- Starter Motor(PG260 - 2-7-8" Diameter End Cap)
- Thermostat Housing(Standard Cooling)
- Vapor Separator Tank And Fuel Rail, Sn and Below (See Note)
- Vapor Separator Tank and Fuel Rail, Sn and Up (See Note)
- Vapor Separator Tank, Sn and Below (See Note)
- Vapor Separator Tank, Sn and Up (See Note)
- Water Pump And Front Cover
- Wiring Harness (EFI)
- WIRING HARNESS(ENGINE)
| Ref. | OEM Part # | Hardin # | Mallory # | GLM # | Other # | Description | Num Req. | Superceded From | Special Notes |
| 1 | 35-866340Q03 | FILTER, Oil | 1 | 14957 | |||||
| 2 | 817403A4 | BRACKET ASSEMBLY | 1 | This Part is No Longer Available | |||||
| 3 | 22-814822 | FITTING | 1 | ||||||
| 4 | 32-8054381 | HOSE | 1 | This Part is No Longer Available | |||||
| 5 | 35-818400A1 | ADAPTOR | 1 | ||||||
| 6 | 26-42077 | SEAL | 1 | 4 | |||||
| 7 | 22-818401 | FITTING | 1 | ||||||
| 8 | 27-91892 | GASKET | 1 | 3 | |||||
| 9 | 22-805632 | CONNECTOR | 1 | ||||||
| 10 | 805561T | COOLER, Oil | 1 | ||||||
| NS | 816637 | END COVER | 2 | This Part is No Longer Available | |||||
| NS | 8M0039163 | O-RING, Special | 2 | 25-814878 | |||||
| NS | 27-816635 | GASKET, End Cover | 2 | This Part is No Longer Available | |||||
| NS | 10-814877 | BOLT | 2 | ||||||
| 11 | 22-48246 | ELBOW | 2 | ||||||
| 12 | 32-8187432 | HOSE | 2 | This Part is No Longer Available | |||||
| 13 | 32-805438 | HOSE | 4 | This Part is No Longer Available | |||||
| 14 | 54-814858 | CLIP | 4 | ||||||
| 15 | 11-26484 | NUT, (.312-18) | 1 | ||||||
| 16 | 806030T | BRACKET | 1 | This Part is No Longer Available | |||||
| 17 | 10-816585 | SCREW, (.375-18 x .875) | 2 | ||||||
| 18 | 22-805563 | CONNECTOR, (.500 Inch NPTF To .500 Inch Inverted Flare) | 2 | ||||||
| - | 27-805396A92 | GASKET SET, Overhaul, 502 | 1 |


