502 EFI (Gen 5) GM V-8 1993-1995 - Serial 0D840650 Thru 0F802599 - Thermostat Housing(Standard Cooling)
Other Sub-Sections:
- Alternator (Mando)
- Alternator (Prestolite)
- Audio Warning System
- Crankshaft, Pistons And Connecting Rods
- Cylinder Block And Camshaft
- Cylinder Head And Rocker Cover
- Distributor And Ignition Components
- Electrical Box And Components
- Engine Mounting
- Exhaust Manifold And Exhaust Elbow
- Exhaust Plate
- Flywheel Housing
- Fuel Pump And Fuel Filter
- Intake Manifold And Intake Plenum
- Oil Filter And Adaptor (454)
- Oil Filter And Adaptor (502) (F114528 and Below)
- Oil Filter And Adaptor (502) (F114529 and Up)
- Oil Pan And Oil Pump
- Power Steering Components
- Sea Water Pump
- Senders And Harness Bracket
- Shift Bracket
- Shift Bracket, Digital Throttle Shift - Axius
- Shift Bracket, Mechanical Shift
- Smartcraft Sensor And Harnesses
- Starter And Alternator
- Starter Motor (3-1-2" Diameter End Cap)
- Starter Motor (PG260 - 2-7-8" Diameter End Cap)
- Starter Motor And Alternator
- Steering Components
- Thermostat Housing(Standard Cooling)
- Throttle Body, Digital Throttle-Shift
- Throttle Body, Mechanical Throttle-Shift
- Trim Pump And Motor Components
- Trim Pump Assembly, Complete
- Vapor Separator Tank And Fuel Rail, Sn and Below (See Note)
- Vapor Separator Tank and Fuel Rail, Sn and Up (See Note)
- Vapor Separator Tank, Sn and Below (See Note)
- Vapor Separator Tank, Sn and Up (See Note)
- Water Drain System
- Water Pump And Front Cover
- Wiring Harness (EFI)
- Wiring Harness (Engine)
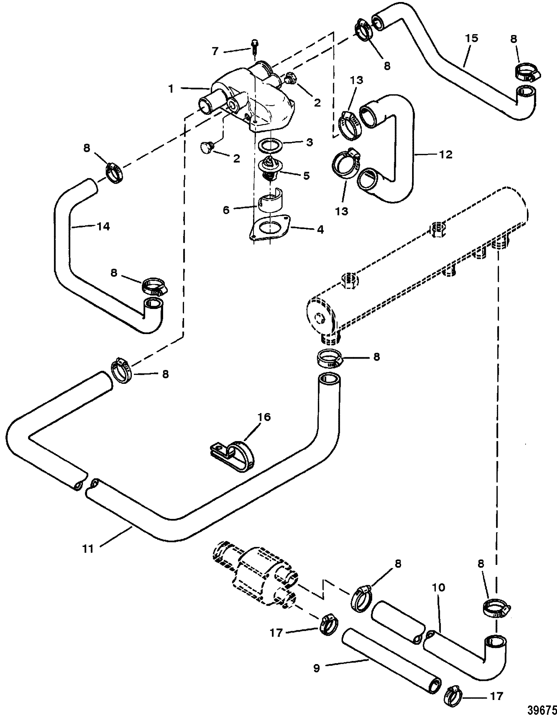
| Ref. | OEM Part # | Hardin # | Mallory # | GLM # | Other # | Description | Num Req. | Superceded From | Special Notes |
| 1 | 806235A1 | HOUSING ASSEMBLY, Thermostat | 1 | ||||||
| 2 | 22-32803 | 700-21894 | PLUG, Pipe (.375-18) Brass | 2 | |||||
| 3 | 27-806871 | GASKET | 1 | 3,4 | |||||
| 4 | 27-530451 | GASKET | 1 | 3,4 | |||||
| 5 | 807252T2 | THERMOSTAT, 71°C (160°F) | 1 | 8072522 | |||||
| 6 | 23-806922 | SLEEVE | 1 | ||||||
| 7 | 10-98794 | 676-9-78129 | 700-28300 | 525-10-98794 | SCREW, (.375-16 x 1.00) | 2 | |||
| 8 | 54-815504220 | CLAMP, Worm Gear | AR | 5 | |||||
| 9 | 32-865672079 | HOSE, (96.00 Inches Bulk), Sea Pump to Drive Unit | 1 | 32-1743579 | |||||
| 10 | 32-821418 | HOSE, Oil Cooler to Sea Pump | 1 | 454 MAGNUM | |||||
| 10 | 32-805251 | HOSE, Oil Cooler to Sea Pump | 1 | 502 MAGNUM | |||||
| 11 | 32-160111 | HOSE, Oil Cooler to Thermostat Housing | 1 | 454 MAGNUM | |||||
| 11 | 32-805469 | HOSE, Oil Cooler to Thermostat Housing | 1 | 502 MAGNUM | |||||
| 12 | 32-897181 | HOSE, Thermostat Housing to Water Pump | 1 | ||||||
| 13 | 54-815504232 | CLAMP, Worm Gear (2.50 Diameter) | 2 | ||||||
| 14 | 32-897491 | HOSE, Thermostat Housing | 1 | (PORT) | |||||
| 15 | 32-807201 | HOSE, Thermostat Housing | 1 | (STARBOARD) | |||||
| 16 | 54-47715 | CLIP | 1 | ||||||
| 17 | 54-815504222 | CLAMP, Worm Gear (1.98 DIameter) | 2 | ||||||
| - | 27-811572A94 | GASKET SET, Overhaul | 1 | (454 MAGNUM) | |||||
| - | 27-805396A92 | GASKET SET, Overhaul | 1 | (502 MAGNUM) |


