| Ref. |
OEM Part # |
Hardin # |
Mallory # |
GLM # |
Other # |
Description |
Num Req. |
Superceded From |
Special Notes |
| - |
NSS |
|
|
|
|
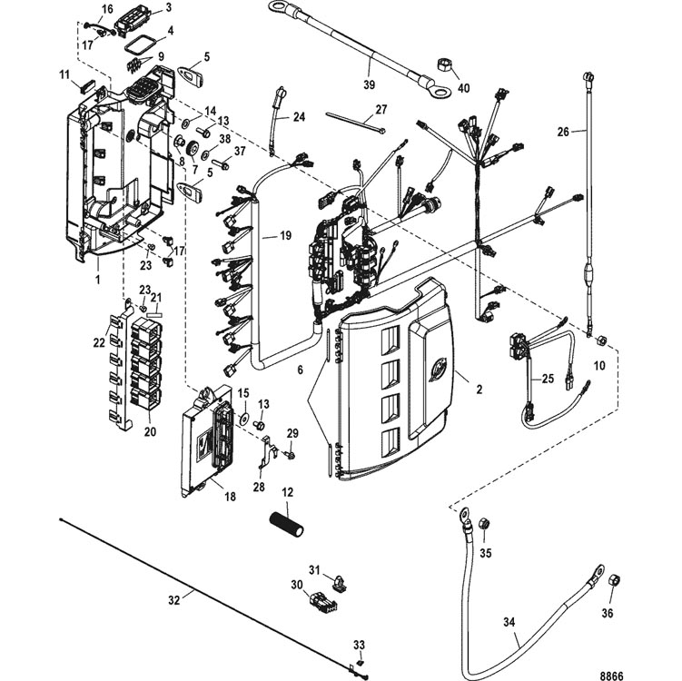
Electrical Box-Complete |
1 |
|
Not Sold Separate |
| - |
NSS |
|
|
|
|
Electrical Box |
1 |
|
Not Sold Separate |
| 1 |
885560T03 |
|
|
|
|
BASE, Electrical Box |
1 |
|
|
| 2 |
885561T |
|
|
|
|
COVER, Fuse Box |
1 |
|
|
| 3 |
888491 |
|
|
|
|
COVER, Fuse |
1 |
|
|
| 4 |
25-885583 |
|
|
|
|
SEAL |
1 |
|
|
| 5 |
889531 |
|
|
|
|
STRAP |
2 |
|
|
| 6 |
885584 |
|
|
|
|
PIN, Hinge |
2 |
|
|
| 7 |
25-833155 |
|
|
|
|
GROMMET |
1 |
|
|
| 8 |
23-8502341 |
|
|
|
|
BUSHING |
1 |
|
|
| 9 |
88-832969T20 |
|
|
|
|
FUSE, Mini - Yellow - 20 Ampere |
7 |
83296920 |
|
| 10 |
11-400213 |
|
|
|
|
NUT, (M8) Stainless Steel |
1 |
|
|
| 11 |
895099 |
|
|
|
|
EXTRACTOR, Fuse |
1 |
|
|
| 12 |
32-828547753 |
|
|
|
|
CONDUIT, (.750 Inside Diameter x 3.00 Feet Bulk) |
1 |
|
|
| 13 |
10-40011146 |
|
|
|
|
SCREW, (M8 x 13) Stainless Steel |
2 |
|
|
| 14 |
12-843108 |
|
|
|
|
WASHER, (.330 x .560 x .060) Stainless Steel |
1 |
|
|
| 15 |
12-817274 |
|
|
|
|
WASHER, (.344 x 1.00 x .063) Stainless Steel |
1 |
|
|
| 16 |
892244 |
|
|
|
|
STRAP, Cover |
1 |
|
|
| 17 |
54-879962 |
|
|
|
|
CLIP |
4 |
|
|
| 18 |
89790721T |
|
|
|
|
PCM, Propulsion Control Module |
1 |
88555839T |
|
| 18 |
89790721T |
|
|
|
|
PCM, Propulsion Control Module |
1 |
88555843T |
|
| 18 |
89790722T |
|
|
|
|
PCM, Propulsion Control Module |
1 |
88555820T |
|
| 18 |
89790723T |
|
|
|
|
PCM, Propulsion Control Module |
1 |
88555840T |
|
| 18 |
89790723T |
|
|
|
|
PCM, Propulsion Control Module |
1 |
88555844T |
|
| 18 |
89790724T |
|
|
|
|
PCM, Propulsion Control Module |
1 |
88555821T |
|
| 18 |
89790725T |
|
|
|
|
PCM, Propulsion Control Module |
1 |
88555841T |
|
| 18 |
89790725T |
|
|
|
|
PCM, Propulsion Control Module |
1 |
88555845T |
|
| 18 |
89790726T |
|
|
|
|
PCM, Propulsion Control Module |
1 |
88555822T |
|
| 18 |
89790727T |
|
|
|
|
PCM, Propulsion Control Module |
1 |
88555842T |
|
| 18 |
89790727T |
|
|
|
|
PCM, Propulsion Control Module |
1 |
88555846T |
|
| 18 |
89790728T |
|
|
|
|
PCM, Propulsion Control Module |
1 |
88555823T |
|
| 19 |
84-8M0082643 |
|
|
|
|
HARNESS ASSEMBLY, Engine |
1 |
880616T05 |
|
| - |
NSS |
|
|
|
|
Relay Bracket Assembly |
1 |
|
Not Sold Separate |
| 20 |
882751A04 |
|
676-9-15213 |
|
|
RELAY ASSEMBLY |
4 |
|
|
| 21 |
NSS |
|
|
|
|
Decal-Trim Relay |
4 |
|
Not Sold Separate |
| 22 |
889532 |
|
|
|
|
BRACKET |
1 |
|
|
| 23 |
10-40007103 |
|
|
|
|
SCREW, (M5 x 6) |
2 |
|
|
| 24 |
84-93388A17 |
|
|
|
|
CABLE ASSEMBLY, (8.50 Inches) |
1 |
|
|
| 25 |
84-879345T34 |
|
|
|
|
HARNESS ASSEMBLY, Trim |
1 |
819514A20 |
|
| 26 |
84-8M0088927 |
|
|
|
|
HARNESS ASSEMBLY, Fuse |
1 |
|
|
| 27 |
54-850181 |
|
|
|
|
TIE STRAP, (11.750 Inches) |
6 |
|
|
| 27 |
54-816311T |
|
|
|
|
TIE STRAP, (8.00 Inches) |
AR |
|
|
| 28 |
54-891520001 |
|
|
|
|
CLIP |
1 |
|
|
| 29 |
10-82129114 |
|
|
|
|
SCREW, (M6 x 14) |
1 |
|
|
| 30 |
877613A02 |
|
|
|
|
CONNECTOR ASSEMBLY, Weather Cap 6 Pin |
1 |
|
|
| 31 |
54-879962 |
|
|
|
|
CLIP |
1 |
|
|
| 32 |
84-888416T04 |
|
|
|
|
HARNESS ASSEMBLY |
1 |
888416T03 |
|
| 33 |
862646 |
|
|
|
|
FUSE, Tan - 5 Ampere |
1 |
|
|
| 34 |
84-88439A25 |
|
|
|
|
CABLE ASSEMBLY, Battery - Positive |
1 |
|
|
| 35 |
11-401388 |
|
|
|
|
NUT, (M8) Stainless Steel |
5 |
|
|
| 36 |
11-86226 |
|
|
|
|
NUT, (.375-16), Battery Cable-Positive |
1 |
|
|
| 37 |
10-88552635 |
|
|
|
|
SCREW, (M8 x 35 MM) |
1 |
|
|
| 38 |
12-817274 |
|
|
|
|
WASHER, (.344 x 1.00 x .063) Stainless Steel |
1 |
|
|
| 39 |
84-88439A26 |
|
|
|
|
CABLE ASSEMBLY, Battery - Negative |
1 |
|
|
| 40 |
11-68292 |
|
|
|
|
NUT, (.312-18), Battery Cable-Negative |
1 |
|
|