200 VERADO 4-STROKE 6 CYL - Serial 1B517434 Thru 2B144122 - Starboard Cylinder Block/Oil Cooler(1B830815 and Below)
Other Sub-Sections:
- Accessories
- Adaptor Plate Hose Routings
- Adaptor Plate Hose Routings, CCT
- Adaptor Plate-Lower
- Alternator/Belt Tensioner Mounting
- CCT Rigging Kit
- Charge Cooler/Intake Manifold Hose Routings
- Charge Cooler/Intake Manifold(Gen I) End Cap Not Serviced
- Charge Cooler/Intake Manifold(Gen II) End Cap Serviced
- Cowl Latching
- Crankshaft, Pistons and Connecting Rods
- Cylinder Block
- Cylinder Head and Camshaft
- Driveshaft Housing
- Electrical Box Components
- Fuel Supply Module
- Gear Housing, Driveshaft, 4.80 Torpedo
- Gear Housing, Prop Shaft-Count Rot, 4.80 Torp 2B026817 and up
- Gear Housing, Prop Shaft-Std Rot, 4.80 Torp 2B026816 and below
- Gear Housing, Prop Shaft-Std Rot, 4.80 Torp 2B026817 and up
- Gear Housing, PropShaft-Count Rot,4.80 Torp 2B026816 and below
- Gear Housing,, Driveshaft, 5.44 Torpedo SN 1B980359 and below
- Gear Housing,, Driveshaft, 5.44 Torpedo, SN 1B980360 and up
- Gear Housing,, Prop Shaft-Counter Rotation, 5.44 Torpedo
- Gear Housing,, Prop Shaft-Standard Rotation, 5.44 Torpedo
- Ground Cable Kit(899712A01)
- Induction Components
- Induction Components, CCT
- Mercathode Kit
- Mount Cradle
- Oil Pump/Adaptor Plate-Upper
- Port Cylinder Block Components
- Power Trim Components
- Power Trim/Steering Cylinder
- Powerhead Gasket Set Components
- Pump Kit-Power Steering(8M0080200/8M0080201)
- Rear Cowl
- Rear Cowl, CCT
- Starboard Cylinder Block/Oil Cooler(1B830815 and Below)
- Starboard Cylinder Block/Oil Cooler(1B830816 and Above)
- Starter Motor
- Steering Helm Kit-Standard(892557A02, 892380A02, 892558A02)
- SuperCharger
- Tools
- Top Cowl
- Top Cowl, CCT
- Upper Shift Components
- Water Separator Filter Kit, 886638A01
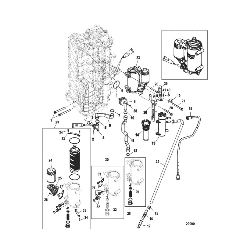
Ref. | OEM Part # | Hardin # | Mallory # | GLM # | Other # | Description | Num Req. | Superceded From | Special Notes |
1 | 892404A05 | DEFLECTOR ASSEMBLY, Water | 2 | ||||||
2 | 22-885518A02 | FITTING ASSEMBLY | 1 | ||||||
3 | 25-62701 | O-RING | 2 | ||||||
4 | 10-88552516 | SCREW, (M6 x 16 MM) Stainless Steel | 1 | ||||||
5 | 54-888988011 | CLAMP, (38.1 mm) | 1 | ||||||
6 | 32-888930003 | HOSE | 1 | ||||||
7 | 54-888988008 | CLAMP, (34.6 mm) | 1 | ||||||
8 | 892864T04 | 676-18-3631 | THERMOSTAT ASSEMBLY | 1 | |||||
9 | 25-8M0005958 | O-RING | 1 | ||||||
10 | 54-888988001 | CLAMP, (36.1 mm) | 1 | ||||||
11 | 32-892865 | HOSE, Thermostat | 1 | ||||||
12 | 54-888988007 | CLAMP, (42.5 mm) | 1 | ||||||
13 | 35-8M0062950 | FILTER, Fuel | 1 | 892242T | |||||
14 | 35-8M0060041 | FILTER, Fuel | 1 | 8M0020349 | |||||
15 | 54-816311T | TIE STRAP, (8.00 Inches) | 1 | ||||||
16 | 22-892356 | CONNECTOR | 1 | ||||||
17 | 19-863156 | GRAB TAB | 1 | ||||||
18 | 32-8M0087107 | HOSE, Fuel to Lift Pump | 1 | 8M0042628 | |||||
19 | 54-78945 | J CLAMP | 1 | ||||||
20 | 10-88552785 | SCREW, (M10 x 85) | 3 | ||||||
21 | 10-885527105 | SCREW, (M10 x 105) | 1 | ||||||
22 | 32-8M0045343 | HOSE, 31.5 Inch, Fuel Inlet | 1 | No Longer Available | |||||
22 | 32-8M0046557 | HOSE ASSMEBLY, Fuel Inlet, 8.2 Inch | 1 | ||||||
23 | 8M0092405 | MODULE , Intergrated Oil - Complete | 1 | 880640T11 | |||||
24 | 35-877769K01 | FILTER, Oil (Mercury Branded) | 1 | ||||||
24 | 35-877769Q01 | FILTER, Oil (Quicksilver Branded) | 1 | ||||||
25 | 8M0046694 | HOUSING ASSEMBLY, Intergrated Oil Module | 1 | 880640A05 | |||||
26 | 10-88552516 | SCREW, (M6 x 18) | 6 | 895336 | |||||
27 | 27-8M0034568 | GASKET | 1 | 880640500 | |||||
28 | 880640A06 | THERMOSTAT/GUIDE KIT | 1 | ||||||
29 | 880640508 | THERMOSTAT | 1 | ||||||
30 | 892801T53 | OVERHAUL KIT | 1 | No Longer Available | |||||
31 | 27-8M0034568 | GASKET | 1 | 880640500 | |||||
32 | 8M0071635 | O-RING KIT | 1 | 880640A09 | |||||
33 | 895032 | STRAP | 2 | ||||||
34 | 10-88552516 | SCREW, (M6 x 18) | 4 | 895336 | |||||
35 | 10-88552525 | SCREW, (M6 x 25 MM) Stainless Steel | 2 | ||||||
36 | 8M0007906 | BRACKET | 1 | ||||||
37 | 23-822003 | BUSHING | 2 | ||||||
38 | 25-834985 | GROMMET | 2 | ||||||
39 | 8M0007908 | BRACKET | 1 | ||||||
40 | 10-82129125 | SCREW, (M6 x 25 MM) | 2 | ||||||
41 | 12-65567 | WASHER, (.265 x .750 x .048) Stainless Steel | 2 | ||||||
- | 61-895247A07 | POWERHEAD ASSEMBLY | 1 |